TCR119 Column Tension And Compression Load Cell
Product Description
Features and Uses
Small shape, minimum deformation, small size, large measuring range.
Stainless steel material.
High dynamic response frequency.
Protection level: IP65, can be customized.
Used for automotive pressing, automated assembly, 3C product testing, new energy product assembly, medical testing and other applications
Application field: automobile assembly, automatic assembly, 3C product testing, new energy product assembly, medical testing, robot, mold assembly and other industrial testing, measurement and control system.
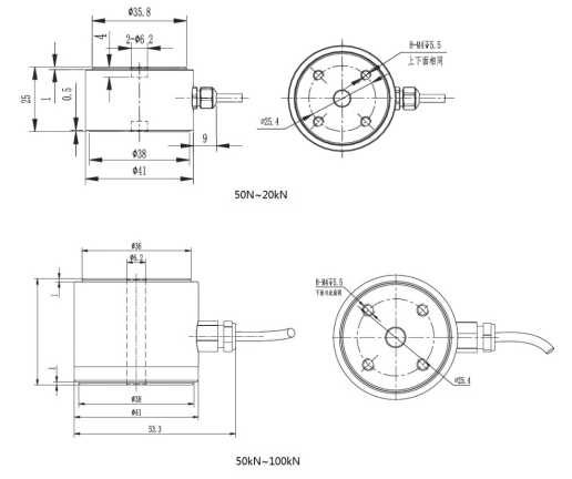
Mounting Dimension

Parameter List
| Rated Range | 0.05,0.1,0.2,0.5,1,2,5,10,20,50100kN | Insulation Resistance | ≥ 5000mΩ/100VDC |
| Consideration | 2.0±10%mV/V | Excitation Voltage | 5~15V |
| Null Balance | ±0.05%F.S | The Maximum Excitation Voltage | 20volts |
| Nonlinearity | 0.1%F.S | Temperature Compensation Range | -10~60℃ |
| Lag Error | 0.1%F.S | Operating Temperature Range | -20〜80℃ |
| Repeatability | 0.1%F.S | Safe Load(E L) | 150%F.S. |
| Creep (30 Minutes) | 0.05%F.S | Failure Load(E D) | 200%F.S. |
| Sensitivity Drift Temperature Coefficient | 0.05%F.S./10℃ | Cable size | Φ3×4000mm |
| Zero Drift Temperature Coefficient | 0.05%F.S./10℃ | Cloth | Stainless steel |
| Input Resistance | 385±10Ω | Unit Weight(G) | 0.3kg |
| Output Resistance | 350±10Ω | Protection | Ip66 |
| Direction Of Force | Wiring Method |
![]() |
![]() |

















