MTR245 Compression And Torque Sensor
Product Description
Features And Uses
High accuracy with strong ability of anti-side force;
Easy to install and defined grade IP 66;
Dimension could be customizable;
Automobile stall test,fluid mechanics test measurement;
Suitable for Automotive press fit, automated assembly, 3C products testing, new energy product assembly,medical testing,robotics,mold assembly and other industrial testing and control system.
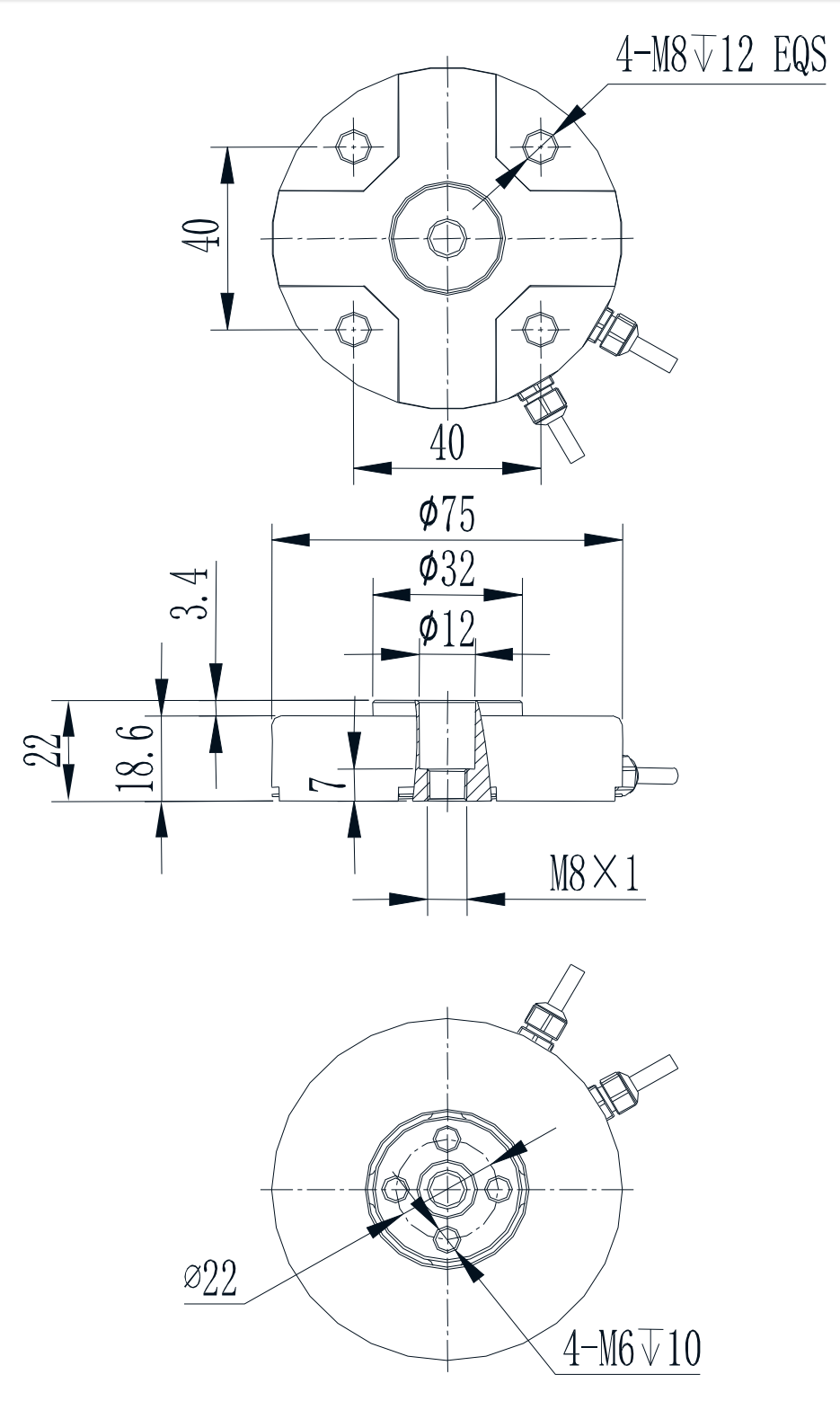
Mounting Dimension

Parameter List
| Specifications | Technique |
| Capacity | X:100/200/500/1000/2500 Y:100/200/500/1000/2500 |
| Sensitivity | 1.0~1.5mVN |
| Zero balance | ±2%F.S |
| Nonlinearity | 0.1%F.S. |
| Hysteresis | 0.1%F.S. |
| Repeatability | 0.1%F.S. |
| Interference error | 0.3%F.S. |
| Creep (30 Minutes) | 0.1%F.S. |
| Sensitivity Drift Temperature Coefficient | 0.1%F.S./10℃ |
| Zero Drift Temperature Coefficient | 0.1%F.S./10℃ |
| Input Resistance | 785±20Ω |
| Output Resistance | 700±10Ω |
| Insulation Resistance | ≥5000MΩ/100VDC |
| Excitation Voltage | 5~12V |
| The Maximum Excitation Voltage | 15V |
| Temperature Compensation Range | -10-40℃ |
| Operating Temperature Range | -20-80℃ |
| Safe Load | 150%F.S |
| Breaking load | 200%F.S |
| Cable size | φ3×4000mm |
| Weight | 0.8kg |
| Protection | IP66 |
| Direction Of Force | Wiring Method |
![]() |
![]() |







