카테고리: 태그: , 브랜드:

Ultra Force / CR569D2 Customize Big Capacity Force Sensor


It is mainly used in push-pull force measuring instrument, hopper scale, various industrial weighing systems, button force testing, contact force testing, automobile assembly, automatic assembly, 3C product testing, new energy product assembly, medical testing, robot, mold assembly.


Share it:

CR569D2 Customize Big Capacity Force Sensor

Product Description

 

Features and Uses

5 times overload capacity, low height, minimum deformation, easy installation.

Bidirectional tensile and compression measurement.

Mainly used for push force measurement, hopper scales and various industrial weighing systems.

Suitable for button force testing, contact force testing, automotive assembly, automatic assembly, 3C product testing, new energy product assembly, medical testing, robot and mold assembly.

Application field: automobile assembly, automatic assembly, 3C product testing, new energy product assembly, medical testing, robot, mold assembly and other industrial testing, measurement and control system.

 

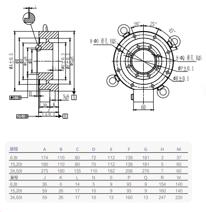
Mounting Dimension

 

Capacity Force Sensor

 

Parameter List

Rated Range Please refer to the form Insulation Resistance ≥ 5000mΩ/100VDC
Output sensitivity 4-2mA/0-10V Excitation Voltage 24V
Zero output ±3%.S Temperature Compensation Range -10~40℃
Nonlinearity 0.5%F.S Operating Temperature Range -20〜60℃
Lag Error 0.5%F.S Safe OverLoad 150%F.S.
Repeatability 0.5%F.S Ultimate overload 200%F.S.
Creep (30 Minutes) 0.5%F.S Protection Ip66
Sensitivity Drift Temperature Coefficient 0.5%F.S./10℃  Cable size φ6×5m
Zero Drift Temperature Coefficient 0.5%F.S./10℃

 

Direction Of Force Wiring Method
Capacity Force Sensor Capacity Force Sensor