TJH-4B Pancake Load Cell
Specifications of TJH-4B Spoke Type Load Cell
| Technical Parameter | |
| Rated Load | 5~2000 kN |
| Comprehensive Precision | 0.05~0.1% FS |
| Sensitivity | 2.0 mV/V |
| Creep | ±0.05% FS/30min |
| Zero Output | ±1% FS |
| Temperature Effect On Zero | ±0.05% FS/10℃ |
| Temperature Effect On Output | ±0.05% FS/10℃ |
| Operating Temperature Range | -20~+65 ℃ |
| Input Resistance | 380±10 or 750±15 Ω |
| Output Resistance | 350± 3 or 750± 5 Ω |
| Insulation Resistance | >5000 MΩ |
| Safe Load Limit | 150% FS |
| Bridge Voltage | Reference 10V DC |
| Material | Alloy Steel or Stainless Steel |
| Load Cell Mode Of Connection | Input+: Red |
| Input-: Black | |
| Output+: Green | |
| Output-: White | |
Benefits of the pancake load cell
High Accuracy: Pancake load cells are known for their high accuracy in measuring both compressive and tensile loads.
Versatility: They can be used in a wide range of applications, including industrial weighing, automotive testing, and material test machines.
Durability: These load cells are designed to withstand harsh environments and heavy loads, making them highly durable and reliable.
High Load Capacity: Pancake load cells can handle very high load capacities, making them suitable for heavy-duty applications.
Compact Design: Their compact and low-profile design makes them easy to install in spaces where height is a constraint.
Stability: They offer excellent long-term stability, ensuring consistent and reliable measurements over time.
Overload Protection: The spoke type load cell comes with built-in overload protection to prevent damage from excessive loads.
Wide Range of Measurements: They can measure a wide range of forces, from very small to very large, making them versatile for different applications.
Resistance to Side Loads: Pancake load cells are designed to resist side loads, which can improve their accuracy and longevity.
Customizable: Many manufacturers offer customization options for pancake load cells, allowing them to be tailored to specific applications or requirements.
Through Hole Load Cell Selection Guide
Understand Your Requirements: The first step in selecting a through-hole load cell is to understand your specific needs. These load cells are typically used for applications that require the measurement of an axial force. They are ideal for bolt force measurements, post or leg mount measurements, and more. Identify the specific application for which you need the load cell to ensure you choose the right one.
Load Capacity: The second factor to consider is the load capacity. Through-hole load cells come in various capacities, from a few pounds to several tons. It’s crucial to choose a load cell that can handle the maximum force your application will apply without causing damage to the cell.
Size and Shape: The size and shape of the pancake load cell are also important. The cell should fit perfectly into your system. Consider the diameter of the hole and the overall dimensions of the load cell.
Material and Environment: Consider the material of the load cell and the environment in which it will be used. Stainless steel load cells are ideal for harsh environments due to their high resistance to corrosion.
Accuracy: Lastly, consider the accuracy of the load cell. For precise measurements, choose a load cell with a high accuracy rating.
Cost: While quality and suitability are paramount, the cost of the load cell should also fit within your budget. Remember, the most expensive option is not always the best one for your specific needs.
How Accurate is the Spoke Type Load Cell?
The Spoke Type Load Cell is a precision instrument known for its exceptional accuracy in measuring load or force. It operates on the principle of strain gauge technology, which ensures high sensitivity and resolution in its readings. When a load is applied, the strain gauges within the cell deform, generating an electrical signal that is directly proportional to the applied force. This signal is then converted into a readable format, providing real-time, accurate data.
The unique design of the Spoke Type Load Cell, featuring a central hub and radial spokes, allows for even distribution of force, minimizing potential errors in the readings. This design also enables the load cell to withstand heavy loads and extreme conditions, ensuring consistent accuracy even in the most demanding industrial applications.
The Spoke Type Load Cell is designed to minimize the effects of side loads, temperature changes, and other environmental factors that could potentially impact its accuracy. It is calibrated to international standards, ensuring its measurements are reliable and precise. In conclusion, the Spoke Type Load Cell is highly accurate, making it an invaluable tool in industries where precise load measurements are critical.
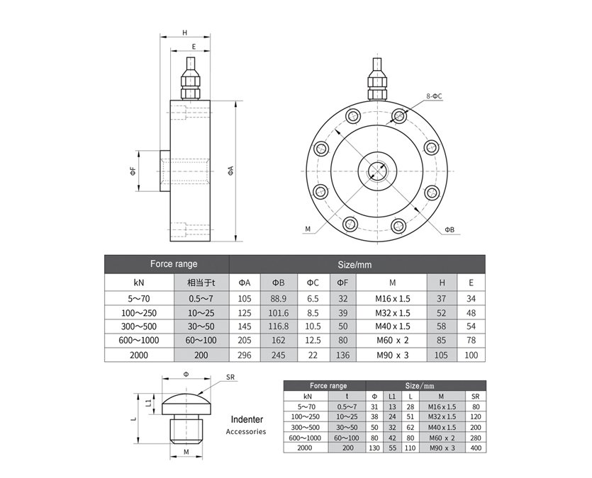
Dimension Drawing of TJH-4B Spoke Type Load Cell























