LCX3013 Multi-Axis Force Torque Sensors Multi-axis Strain Gage Load Cells Multi-Dimensional Sensor for Force

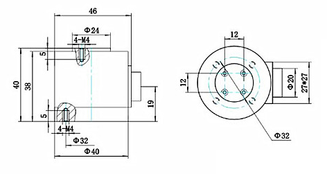
Dimension:

Features:
◎Three dimensional force sensor is one kind of force sensor can simultaneously measure two directions above the force and torque components, in the Descartes coordinate system in force and torque can be decomposed into three components, therefore, force the most complete form of six dimensional force / torque sensor, the sensor is capable of simultaneous measurement of three force components and three torque component.
◎Three dimensional force sensor can simultaneously detect three-dimensional force information three (Fx, Fy, Fz), the control system can not only detect and control the robot gripper for the object grip, but also can detect the grasped object weight, as well as in grasping whether in the process of sliding and vibration. A three-dimensional force sensor fitted with side and top two, side mounted three-dimensional force finger force sensors are generally used for two finger robot gripper, top mounted three-dimensional finger force sensors are generally used for multi fingered robot hand.
◎Three dimensional force sensor application: three-dimensional force sensors are widely used in the research of finger and hand robot; surgical robot; finger force; teeth; force feedback; brake assembly, precision detection; cutting; restoration; plastic surgery; TESTING; tactile feedback; teaching and learning. The industry covers robot, automobile manufacturing, automated assembly line, biomechanics, aerospace, textile industry and other fields.
Technical Parameter:






















