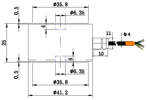
LC5998 Mini Load Cell Sensor Miniature Column Load Cell

Dimension:

Description:
Compact size, high accuracy, fast response, flat mounting, overload protection function. The total height is 25 mm, which is used in the field of small force measurement.
Technical Data:


















