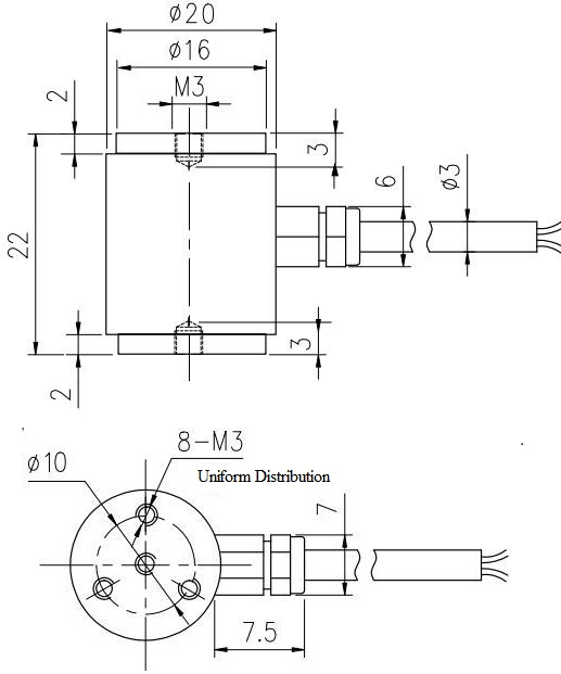
LC5995 Low Profile Button Load Cells Subminature Load Cell

Dimension Unit:mm:

Description:
High quality stainless steel, small size, compact structure, high measuring accuracy, suitable for harsh environment, narrow space measuring force weighing place.
Technical Data:





















