LC463 Load Cell 40kg100kg Multi-Column Load Cell 60 Ton

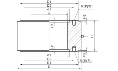
Dimension: Unit:mm

Specifications:
케이센서스 스마트스토어

Dimension: Unit:mm

| Cap. /Size | D | D1 | D2 | d | d1 | H | H1 | H2 | M |
| 600kN | 160 | 140 | 120 | 80 | 100 | 100 | 5 | 5 | 4-M12 |
| 1000kN | 200 | 170 | 145 | 100 | 120 | 110 | 5 | 5 | 4-M12 |
| 1500kN | 225 | 190 | 160 | 120 | 135 | 120 | 5 | 5 | 4-M12 |
| 2000kN | 260 | 230 | 195 | 140 | 160 | 130 | 5 | 5 | 4-M12 |
| 3000kN | 270 | 245 | 225 | 160 | 180 | 150 | 10 | 5 | 4-M12 |
| 4000kN | 295 | 275 | 235 | 195 | 175 | 160 | 10 | 10 | 8-M16 |
| 5000kN | 340 | 310 | 265 | 196 | 215 | 165 | 10 | 10 | 8-M16 |
| 6500kN | 385 | 355 | 305 | 240 | 260 | 180 | 10 | 20 | 8-M16 |
| 20000kN | 594 | 550 | 490 | 400 | 430 | 200 | 10 | 25 | 8-M16 |
Specifications:
| Capacity: | 600/1000/1500/2000/3000/4000/5000/6500/20000/65000kN | ||
| Accuracy: | 0.2%FS | Insulation Resistance: | >2000MΩ |
| Sensitivity: | 2.0 V/V | Temperature Effect On Sensitivity: | <0.1%FS/ 10℃ |
| Non-Linearity: | ≤0.2%FS | Temperature Effect On Zero Balance: | <0.1%FS/ 10℃ |
| Repeatability: | ≤0.05%FS | Reference Excitation Voltage: | 10V (DC) |
| Hysteresis: | ≤0.2%FS | Nominal Range Of Excitation Voltage: | 6~12V(DC) |
| Input Resistance: | 380Ω | Service Temperature: | -30~70℃ |
| Out Resistance: | 350Ω | Safe Load Limit: | 120%FS |
| Product name | LC463 Load Cell 40kg100kg Multi-Column Load Cell 60 Ton |
| Brand | SAINTBOND |
| Market | All over the world |
| Features | High precision and stable performance |
| Advantage | 0EM/ODM |
| Sample Lead Time | 5~ 40Days |
| Sample price | The price is different according to product capacity |
| Custom Design | Welcome |
| Form of sale | Factory supply |
SC4810은 대용량 압축 어플리케이션의 계량에 이상적인 캐니스터형 컬럼 로드셀입니다. 10톤부터 300톤까지 다양한 용량으로 제공됩니다. IP68 등급의 견고한 내구성을 갖추고 있어 열악한 환경에서도 사용 가능합니다.
The SC4810 is canister style column load cell ideal for weighing in large compressive applications. It is available in a wide variety of capacities from 10 Tonnes to 300 Tonnes. It is rugged and rated at IP68 for harsh environments.
| Model: | NF407 |
| Category: | Column Load Cells |
| Capacity: | 0.5,1,2,3,5,10,20,50,100kN |
| Rated Output: | 1.5±10%mV/V |
| Material: | Stainless steel |
| Protection Class: | ~ |
| Weight: | 0.8/2kg |
Product description:
Capacity :0~50kN
Aluminium Alloy
High stability
Can be installed in small spaces
Stable anti-interference signal
Widely used in automotive pressing, automatic assembly, 3C product testing, new energy product assembly, medical testing, machines Robot field, mold assembly and other industrial testing, motorizing equipment and testing field
Column load cell with flange type body combined is an excellent performance weight measurement device for 5 ton/10 ton to 30 ton load measurement optional. It is made of high-strength alloy steel, which is robust and ensures stable operation in harsh environments.
| Product name | LC409MA Zemic Weighing Column Load Cell Digital Load Cell |
| Brand | SAINTBOND |
| Market | All over the world |
| Features | High precision and stable performance |
| Advantage | 0EM/ODM |
| Sample Lead Time | 5~ 40Days |
| Sample price | The price is different according to product capacity |
| Custom Design | Welcome |
| Form of sale | Factory supply |
WhatsApp us
