LC403 Compression Rocker Column Load Cells Steering Column Type Load Cell

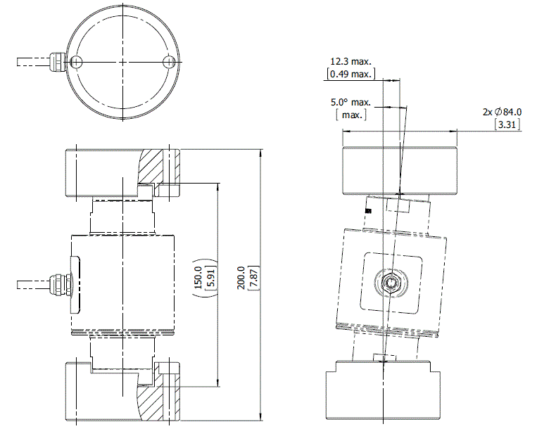
Dimension (mm):

With Upper and Lower Cup:

Description:
The LC403 is a single column, stainless steel compression load cell. This product is suitable for use in road and rail weighbridges and process weighing applications. The fully welded construction and built-in surge protection ensures that this product can be used successfully in many harsh environments. This load cell meets the stringent Weights and Measures requirements throughout Europe and the Americas.
Features:
◎Capacities:30t/40t/50t;
◎Self-aligning, stainless steel single column;
◎Hermetically sealed,IP68;
◎Built-in surge protection;
◎Current calibration output ensures easy and accurate parallel calibration of multiple load cells;
Technical Parameter:

















