LC3537 Industrial Bench Scale Load Cells Type B6F Load Cell

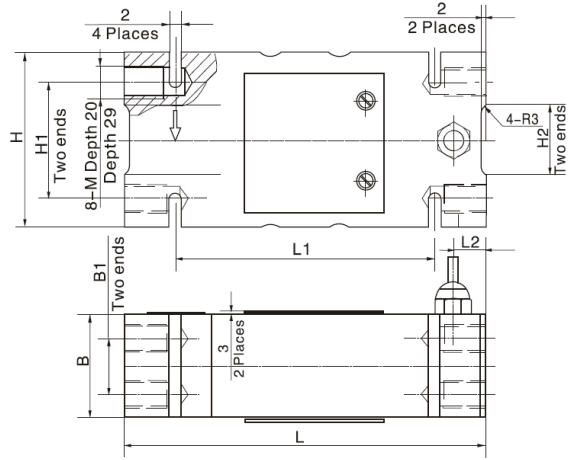
Dimension:in mm

Short Description:
◎Stainless steel IP67 single point load cell;
◎Bending beam;
◎Suitable for belt, platform and other electronic weighing devices;
◎Maximum platform size:
①For 50kg-200kg:400x400mm;
②For 250kg-500kg:600x800mm;
③For 750kg-2t:1200x1200mm;
Technical Parameter:















