LC3508 Aluminum Weighing Weight Scale Sensor Load Cell Single Point Load Cell

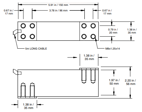
Dimension:

Description:
lLC3508 load cells are available in the capacities 75kg~-500kg;
l17-4 PH stainless steel construction, potted by adhesive inside, oil proof, waterproof, anti- corrosive gas and medium making it suitable for all kinds of environments;
lSingle point with parallel beam, suitable for electronic scales, platform scales, belt scales and other electronic weighing devices;
lSafe and anti-explosive product, can be used in atrocious environment and hazardous areas;
Features:
lCapacity:75kg~500kg;
lHigh accuracy;
lStainless steel construction;
lLow profile and easy installation;
Technical Data:
















