LC3007 Beam Load Cells Supplier Cheap Shear Beam Load Cells

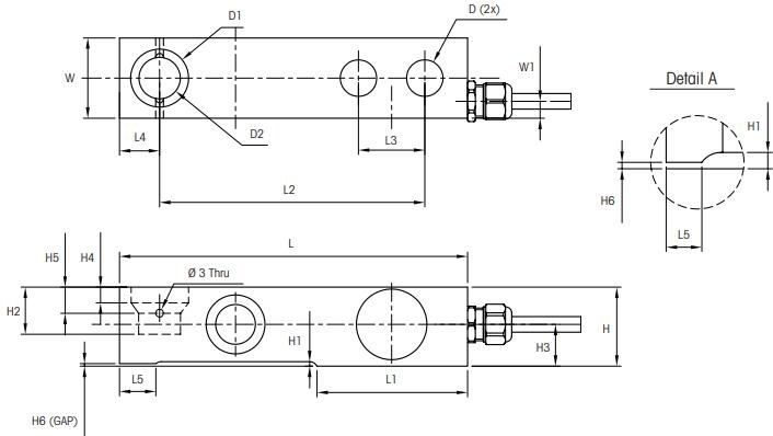
Load Cell Dimensional Drawings mm [in]

Products Specification:
◎LC3007 load cells are available in the capacities:
110/220/550/1100/2200/4400kg(500/1250/2500/5000/10000lb).
◎Alloy steel or stainless steel ,sealed by adhesive inside, oil-proof, waterproof and anti-corrosion, suitable for all kinds of environment.
◎Single shear beam, easy for installation, suitable for electronic platform scales, hopper scales and other electronic weighing devices.
◎Safe and anti-explosive product, can be used in atrocious environment and hazardous areas.
Technical Parameter:















