LC254 Load Cells S-Type Alloy Steel Stainless Steel S Beam Tension Load Cell

Features:
◎Rod end load cell,s beam structure;
◎Strain gauge technology,analog output;
◎Tension and compression force measurement;
◎Widely used for testing machine,press force test,keyboard testing,auto equipment,production line,press machine.etc;
Applications:
Suspended tanks and hoppers, crane scales.
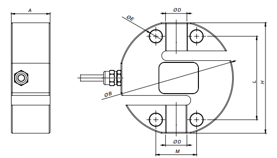
Dimension:

Technical Data:




















