RJ-9811 Cantilever beam Load Cell
Technical parameters
| Measuring range | Kg | 50/ 100/200/500 |
| Sensitivity | mV/V | 2.0±0.1 |
| Accuracy | %FS | ±0.05 |
| Creep (30min) | %FS | ±0.0490 |
| Input impedance | Ω | 350~480 |
| Output impedance | Ω | 356±5 |
| Insulation resistance | MΩ | ≥5000(100VDC) |
| Zero balance | %FS | ±1 |
| Temperature effect on sensitivity | %FS/10℃ | ±0.05 |
| Temperature effect on zero | %FS/10℃ | ±0.05 |
| Compensation temperature range | ℃ | -10~+40 |
| Operating temperature range | ℃ | -30~+70 |
| Recommended excitation voltage | Vdc | 5 |
| Permissible excitation voltage | Vdc | 12 |
| Safe overload | %FS | 150 |
| Limit overload | %FS | 300 |
| Protection level | IP68 | |
| Cable specification | mm | Ф5 |
| Cable length | m | 3 |
| Material | Alloy Steel | |
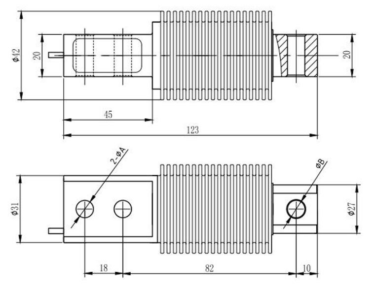
Dimensions (mm)

Circuit connection

























