Triaxial load cell Multi-component transducer NF703
Features
Triaxial load cell Multi-component transducer NF703 supports both tension and compression force measurement in each axis. The 3-axis force sensor is equipped with multiple strain gage bridges. Up to 3 forces (tension and compression) can be measured simultaneously through the multi-component transducer.
- Compact structure
- High comprehensive precision
- Good long term stability
Applications
- Industrial test benches
- Automation equipment
- Crash tests
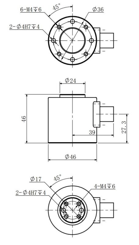
Mounting Dimension
Load Direction
Wiring Code
Specifications
| Specifications | Technique |
| Capacity(N) | X:50/100/200/300/500;Y:50/100/200/300/500;Z:50/100/200/300/500/1000 |
| Rated output | ≈1.0mV/V |
| Zero balance | ±2%F.S. |
| Non-linearity | 0.3%F.S. |
| Hysteresis | 0.3%F.S. |
| Repeatability | 0.1%F.S. |
| Interference error | 0.1%F.S. |
| Temp.effect on output | 0.1%F.S./10℃ |
| Temp.effect on zero | 0.1%F.S./10℃ |
| Input impedance | 350±10Ω |
| Output impedance | 350±10Ω |
| Insulation | ≥5000MΩ/100VDC |
| Recommended excitation | 5~12V |
| Maximum excitation | 15V |
| Compensated temp range | –10~40℃ |
| Operation temp range | –20~75℃ |
| Safe overload | 150%F.S. |
| Ultimate overload | 200%F.S. |
| Cable size | Φ5×3000mm |



















