Tension and compression stainless steel load cell NF203
Features
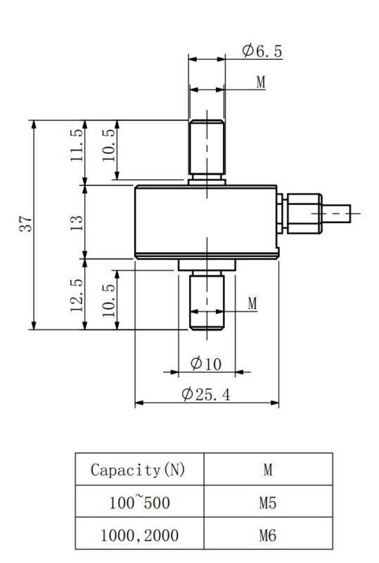
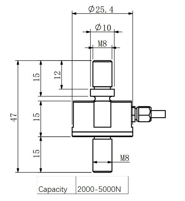
Tension and compression stainless steel load cell NF203 is available in various capacities ranging from 50N,100N,200N,300N,500N,1000N,2000N up to 5000N. The Pull pressure force transducer sensor has different sizes for different ranges. The tension pressure sensor is made of stainless steel utilizing strain gauge technology.
- Micro sensor, low height
- Small deformation
- Tension and compression bidirectional
Applications
- Automatic assembly
- 3C product testing
- Force measurement in robot welding
Mounting Dimension


Load Direction
Wiring Code
Specifications
| Specifications | Technique |
| Capacity | 50,100,200,300,500,1000,2000,5000N |
| Rated output | 2.0±10%mV/V |
| Zero balance | ±0.05mV/V |
| Non-linearity | 0.1%F.S. |
| Hysteresis | 0.1%F.S. |
| Repeatability | 0.1%F.S. |
| Temp.effect on output | 0.05%F.S./10℃ |
| Temp.effect on zero | 0.05%F.S./10℃ |
| Input impedance | 800~1100Ω |
| Output impedance | 800~1100Ω |
| Insulation | ≥5000MΩ/100VDC |
| Recommended excitation | 10V |
| Maximum excitation | 15V |
| Compensated temp range | –10~60℃ |
| Operation temp range | –20~80℃ |
| Safe overload | 150%F.S. |
| Ultimate overload | 200%F.S. |
| Cable size | φ3×3000mm |

















