K6D110 Six-component Sensor
Technical
| Design & Materials | ||
|---|---|---|
| Material | Al.Leg.bis 4kN, Edelst. ab 10kN | |
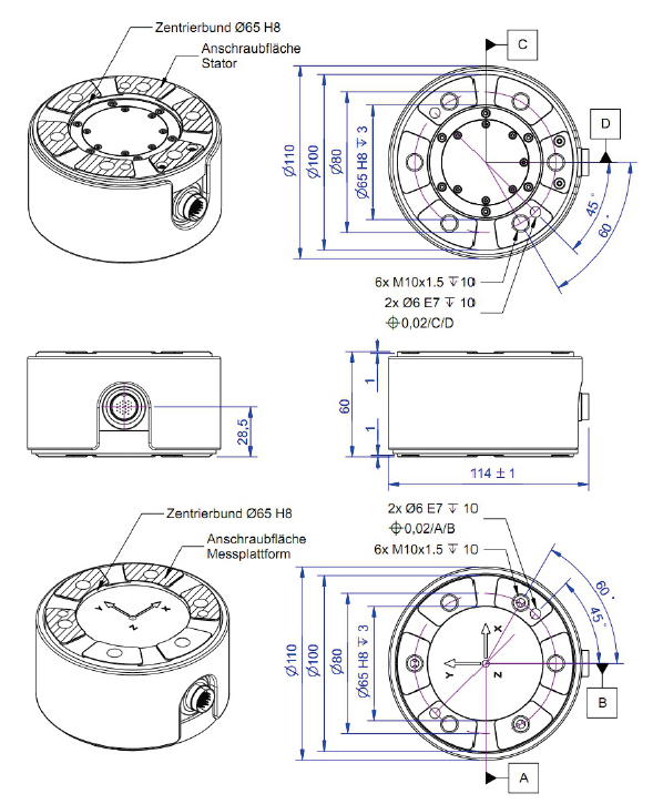
| Outer dimensions | mm x mm | Ø110 x 60 |
| Fastening method | 6x M10X1.5 | |
| Mechanical Characteristics | ||
| Force range x, y, z-Axis | kN | 4…10 |
| Torque range Mx, My, Mz | Nm | 250 … 750 |
| Safe overload | %FS | 300 |
| Breaking overload | %FS | 600 |
| Force-deflection | mm | ca. 0.05 |
| Torque-twist | rad | ca. 0.04 |
| Electrical Characteristics | ||
| Sensitivity | mV/V @ FS | ca. 0.8 |
| Zero signal | mV/V | < 1 |
| Excitation voltage—MAX | V | 5 |
| Input resistance | Ohm | 350 ±10 |
| Output resistance | Ohm | 350 ±10 |
| Insulation resistance | Ohm | >2X109 |
| Cable length | m | 5 |
| Accuracy Data | ||
| Accuracy class | %FS | 0.5 |
| Linearity error | %FS | <0.1 |
| Hysteresis | %FS | <0.1 |
| Zero temperature drift | %FS/K | <0.1 |
| Sensitivity temperature drift | %RD/K | <0.05 |
| Creep within 30 minutes | %FS | <0.1 |
| Temperature | ||
| Operating temperature range | °C | -10 … +70 |
| Service temperature range | °C | -10 … +85 |
| Storage temperature range | °C | -10 … +85 |
| Protection class | IP67 | |
Dimensions


















