MLC532 – Torque Wrench Torque Sensor
Product Picture Reference

Technology Specification
MLC532 Torque wrench torque sensor (ODM available)
| Range | 0–20, 50, 100, 200, 300, 500 Nm | Resonant Frequency | 100μS |
| Rated Output | 1.5 ±10% mV / V | Insulation | ≥5000 MΩ / 100VDC |
| Zero Output | ±1% F.S. | Work Voltage | 10 VDC (9–15 VDC) |
| Nonlinearity | ±0.1~0.3% F.S. | Compensated Temp | -10 ~ 60℃ |
| Hysteresis | ≤±0.05% F.S. | Operating Temp | -20 ~ 65℃ |
| Repeatability | ≤±0.05% F.S. | Safety Overload | 150% F.S. |
| Creep | ≤±0.03% F.S / 30min | Ultimate Overload | 200% F.S. |
| Rated Output Drift by Temp | 0.03% F.S. / 10℃ | Wire | Ø5.2×3m |
| Zero Drift by Temp | 0.03% F.S. / 10℃ | Electrical Connect | RED/E+, BLK/E-, GRN/S+, WHT/S- |
| Input Resistance | 350, 750 ±10Ω | Material | Stainless Steel or Alloy Steel |
| Input Resistance | 350, 700 ±5Ω | Others | Customizable |
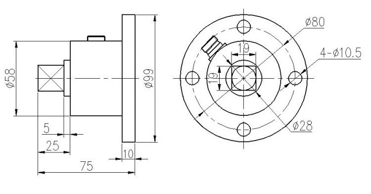
Product Dimension

Force Structure & Assembly Reference


















