카테고리: 태그: 브랜드:

MANYYEAR / MLC403-column compression load cell


compression force load cell, compression force sensor,hopper scale load cell

Model: MLC403
Category: Compression Load Cell
Load range: 25t,30t,40t, 50t, 60t, 90t
Dimension: 72*192/85*225mm
Material: Alloy steel, stainless steel
Application: Force test equipment, compression test equipment


Share it:

MLC403-column compression load cell

Product Picture Reference

MLC403-column compression load cell-MANYYEAR TECHNOLOGY

Technology Specification

Below spec is only for customer design reference. we can provide ODM product.

MLC403-Alloy steel column type compression load cell

Model: MLC403

Category: Compression Load Cell

Load range: 25t,30t,40t, 50t, 60t, 90t

Dimension: 72*192mm; 85*225mm

Material: Alloy steel, stainless steel

Application: Force test equipment, compression test equipment

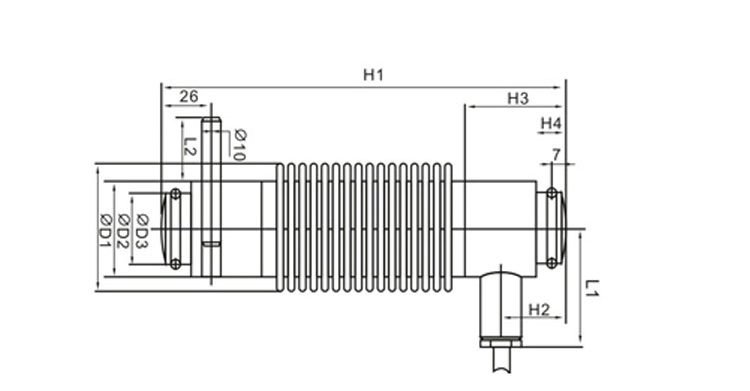
Other Dimension
Load range L1 L2 H1 H2 H3 H4 D1 D2 D3 S MAX
25, 30t 62 33 192 34 51 15 72 50 37 10.5
40t 69 26 225 36 57 16 85 64 37 11
50, 60t 69 26 225 36 57 16 85 64 54.4 12.5
90t 69 26 225 36 57 16 85 64 54.4 9
Specification
Comprehensive error: 0.03&0.05%FS Output resistance: 700±5Ω
Rated output: 1.5±0.002mv/v Insulation resistance: ≥5000MΩ(100VDC)
Non-linearity: 0.03%FS Excitation voltage: 9~12VDC
Hysteresis: 0.02%FS Compensated temp: -10~+40ºC
Repeatability: 0.01%FS Use temperature: -35~+65ºC
Creep: 0.02%FS/10Min Temp effect on zero: 0.03%FS/10ºC
Zero balance: ±1%FS Temp effect on span: 0.02%FS/10ºC
Input resistance: 700±10Ω Defend grade: IP66&IP68

Product Dimension

MLC403-column compression load cell-MANYYEAR TECHNOLOGY

Force Structure & Assembly Reference

MLC403-column compression load cell-MANYYEAR TECHNOLOGY