MLC215A Round Compression Force Sensor
Product Picture Reference
Technology Specification
Below specifications are for reference only. We support ODM / customized products based on customer requirements.
|
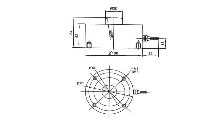
Model: MLC215A Category: Button Load Cell Range: 1t, 2t, 3t, 5t, 7.5t Dimension: 100 × 54 mm Material: Alloy Steel / Stainless Steel Features: Tank scale load cell, compression load cell, round force sensor, button load cell |
| Specifications | |||
|---|---|---|---|
| Comprehensive Error | 0.05% FS | Output Resistance | 703 ±5 Ω |
| Rated Output | 2.0 ±0.005 mV/V | Insulation Resistance | ≥5000 MΩ (100VDC) |
| Non-linearity | 0.05% FS | Excitation Voltage | 9–12 VDC |
| Hysteresis | 0.05% FS | Compensated Temp | -10 ~ +40 ℃ |
| Repeatability | 0.03% FS | Operating Temp | -20 ~ +55 ℃ |
| Creep | 0.03% FS / 10 min | Temp Effect on Zero | 0.05% FS / 10 ℃ |
| Zero Balance | ±1% FS | Temp Effect on Span | 0.05% FS / 10 ℃ |
| Input Resistance | 750 ±10 Ω | Protection Grade | IP66 / IP68 |
Product Dimension
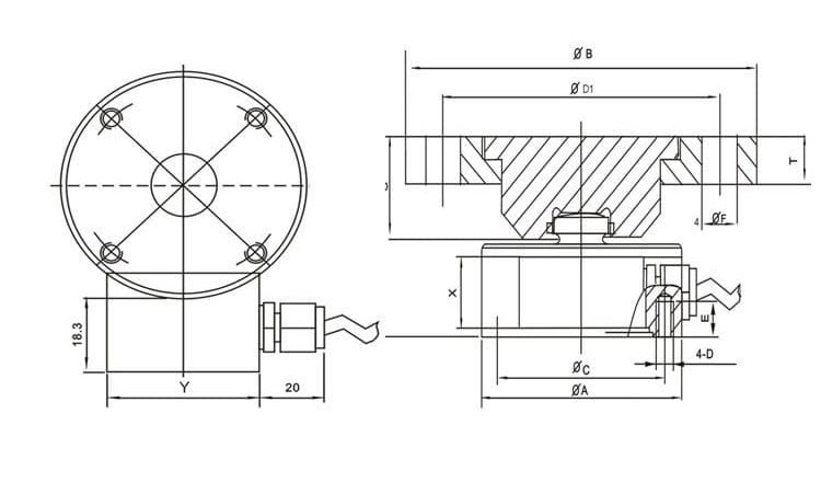
Force Structure & Assembly Reference

















