MLC204E20 Miniature Button Force Load Cell
Product Picture Reference

Technology Specification
Below specifications are for customer design reference only. ODM products are available.
Basic Information
- Model: MLC204E20
- Category: Button Load Cell
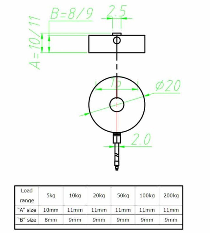
- Range: 5kg, 10kg, 20kg, 50kg, 100kg, 200kg
- Dimension: 20×10mm / 20×11mm
- Material: Alloy Steel, Stainless Steel
- Features: Miniature button load cell, miniature force sensor, round force load cell
Other Dimensions (mm)
| Load Range | 5kg | 10kg | 20kg | 50kg | 100kg | 200kg |
|---|---|---|---|---|---|---|
| A Size | 10mm | 11mm | 11mm | 11mm | 11mm | 11mm |
| B Size | 8mm | 9mm | 9mm | 9mm | 9mm | 9mm |
Electrical & Performance Specifications
| Comprehensive Error | 0.2% FS | Output Resistance | 350±5Ω |
| Rated Output | 1±0.1 mV/V | Insulation Resistance | ≥5000 MΩ (100VDC) |
| Non-linearity | 0.2% FS | Excitation Voltage | 9–12 VDC |
| Hysteresis | 0.2% FS | Compensated Temp | -10 ~ +40°C |
| Repeatability | 0.1% FS | Operating Temp | -20 ~ +55°C |
| Creep | 0.03% FS / 10 min | Temp Effect on Zero | 0.05% FS / 10°C |
| Zero Balance | ±5% FS | Temp Effect on Span | 0.05% FS / 10°C |
| Input Resistance | 350±5Ω | Protection Grade | IP66 |
Product Dimension

Force Structure & Assembly Reference

















