K-18 Spoke Force Sensor
Technical parameters

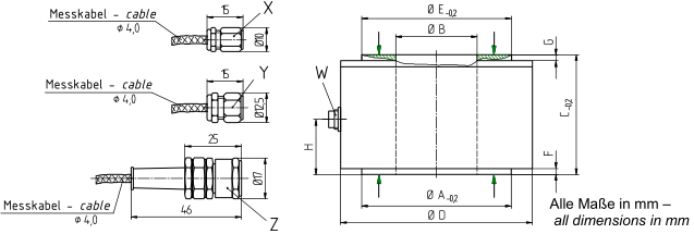
Dimensions


케이센서스 스마트스토어
Technical parameters

Dimensions


이 제품은 링형 구조의 수동형 센서로, 빠른 동적 응답성과 정밀한 장시간 정적 유지 특성을 가지며, 전하 증폭기 등의 계측기기와 함께 사용됩니다.
이 센서는 환형 구조와 빠른 동적 응답 특성을 갖추고 있으며, 장시간 정적 안정성을 유지할 수 있습니다. 전원이 필요 없는 수동형 설계로, 전하 증폭기 등과 함께 사용하는 데 적합합니다.
LSM100 소형 인장·압축 하중 센서는 알루미늄 합금 재질로 제작되었으며, IP65 등급의 방진·방수 보호 기능을 갖추고 있습니다. 측정 용량은 2kg에서 50kg까지 지원합니다.
소형이며 낮은 높이의 구조로, 컴팩트한 디자인과 간편한 설치가 특징입니다.
종합 정밀도가 높고 장기적인 안정성이 우수하며, 알루미늄 합금 재질로 제작되었습니다.
하중 제어 및 계측 용도에 적합하며, 볼트 고정 방식의 설치가 가능하고, 기기 내부에 장착하여 작업 공정 중의 하중을 실시간으로 모니터링할 수 있습니다.
C420 로드셀은 인장과 압축을 모두 측정할 수 있는 겸용 센서로, 5kg에서 5톤까지의 넓은 측정 범위를 지원합니다.
합금강 재질에 니켈 도금 처리된 표면을 갖추고 있으며, IP65 등급의 방진·방수 보호 기능을 제공합니다.
컴팩트한 구조로 설치가 간편하며, 하중 제어 및 측정에 적합한 제품입니다.
이 센서는 링형 구조를 기반으로 하여 빠른 동적 응답을 제공하며, 정적 보정 유지력이 뛰어납니다. 외부 전원이 필요 없는 수동형 센서로, 전하 증폭기와 같은 측정 장비와 함께 사용하는 데 적합합니다.
이 센서는 힘에 의한 변형을 정밀하게 측정하는 고정밀 센서로, 대형 하중 측정에 적합하고 대상 시스템의 성능에 영향을 주지 않으며, 탱크 계량, 풍력 감시, 압력 측정 등 산업 전반에 걸쳐 활용됩니다
이 제품은 빠른 동적 반응과 장시간 안정된 정적 보정을 제공하며, 인장·압축 감도 오차가 작아 정밀한 측정에 적합합니다.
이 센서는 링 구조를 가지고 있어 빠른 동적 응답이 가능하며, 정적 교정 상태를 장시간 유지할 수 있습니다. 자체 전원이 없는 수동형으로, 전하 측정용 계측기와 함께 사용됩니다.
마이크로 힘 센서(Micro Force Sensor)는 압축 및 인장 겸용 MDT 로드셀로, 스테인리스 스틸 소재로 제작되었으며 IP66 등급의 방진방수 기능을 갖추고 있습니다. 측정 용량은 2kg부터 50kg까지 지원됩니다.
MDT는 인장과 압축을 모두 측정할 수 있는 이중 용도의 초소형 로드셀입니다. 스테인리스 스틸로 제작되어 부식성 및 습한 환경에서도 정상적으로 사용할 수 있습니다. 크기가 작고 구조가 컴팩트하여 설치가 간편하며, 높은 종합 정밀도와 우수한 안정성을 제공합니다. 작업 공정 중의 힘을 모니터링하기 위해 장비 내부에 설치할 수 있습니다.
이 제품은 빠른 동적 응답성과 장시간 유지되는 정적 교정 특성을 갖추었으며, 인장 및 압축 간 감도 오차가 작아 정밀한 측정에 적합합니다.
이 센서는 동적 반응이 빠르고 정적 교정 효과가 장시간 유지되며, 인장·압축 감도 차이가 작아 정밀한 힘 측정에 적합합니다.
이 제품은 전하 출력 센서로서, X·Y·Z 축의 힘을 동시에 측정할 수 있으며, 기계 시스템의 임피던스 분석이나 구조물의 모달 해석 등 정밀한 동적 특성 평가에 적합합니다.
WhatsApp us
