K-1250 Spoke Force Sensor
Technical parameters

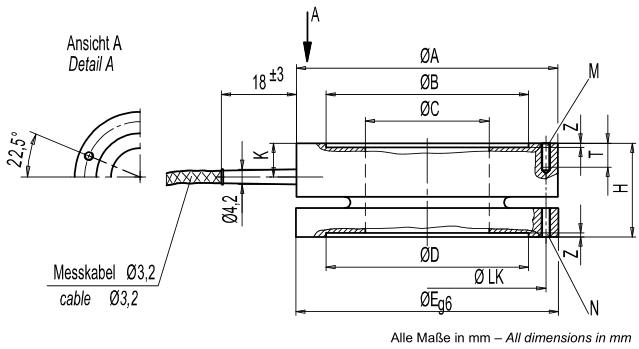
Dimensions


케이센서스 스마트스토어
Technical parameters

Dimensions


이 센서는 전하 출력을 기반으로 3축 방향의 힘을 동시에 정밀하게 측정할 수 있어, 기계 임피던스 분석이나 모달 테스트와 같은 진동 실험에 효과적으로 활용됩니다.
이 제품은 빠른 동적 응답 특성과 장시간 유지되는 정적 안정성을 제공하며, 인장·압축 감도 오차가 작아 정밀한 힘 측정에 적합합니다.
이 센서는 전하 출력을 지원하며, 3축(수직) 방향의 힘을 동시에 측정할 수 있어 기계 임피던스 분석이나 구조물의 모달 해석과 같은 동역학 응용에 적합합니다.
LSM100 소형 인장·압축 하중 센서는 알루미늄 합금 재질로 제작되었으며, IP65 등급의 방진·방수 보호 기능을 갖추고 있습니다. 측정 용량은 2kg에서 50kg까지 지원합니다.
소형이며 낮은 높이의 구조로, 컴팩트한 디자인과 간편한 설치가 특징입니다.
종합 정밀도가 높고 장기적인 안정성이 우수하며, 알루미늄 합금 재질로 제작되었습니다.
하중 제어 및 계측 용도에 적합하며, 볼트 고정 방식의 설치가 가능하고, 기기 내부에 장착하여 작업 공정 중의 하중을 실시간으로 모니터링할 수 있습니다.
이 센서는 안정성과 내구성이 뛰어나고, 간편한 설치 및 강력한 신호 간섭 저항 특성을 갖추고 있어, 무게 측정 장비 및 자동화/테스트 분야에 널리 사용됩니다.
이 제품은 빠른 동적 응답 특성과 긴 정적 교정 유지력을 갖추고 있으며, 인장 및 압축 감도 오차가 작아 고정밀 측정에 적합합니다.
이 제품은 전하 출력 센서로서, X·Y·Z 축의 힘을 동시에 측정할 수 있으며, 기계 시스템의 임피던스 분석이나 구조물의 모달 해석 등 정밀한 동적 특성 평가에 적합합니다.
이 센서는 낮은 구조 높이와 넓은 하중 면적을 특징으로 하며, 정밀도와 장기 안정성이 뛰어나 각종 압력 시험기 및 자동화 설비에 적합합니다.
이 제품은 빠른 동적 응답성과 장시간 유지되는 정적 교정 특성을 갖추고 있으며, 인장·압축 간 감도 오차가 작아 정밀한 측정에 적합합니다.
이 제품은 빠른 동적 반응과 장시간 안정된 정적 보정을 제공하며, 인장·압축 감도 오차가 작아 정밀한 측정에 적합합니다.
이 센서는 힘에 의한 변형을 정밀하게 측정하는 고정밀 센서로, 대형 하중 측정에 적합하고 대상 시스템의 성능에 영향을 주지 않으며, 탱크 계량, 풍력 감시, 압력 측정 등 산업 전반에 걸쳐 활용됩니다
이 센서는 동적 반응이 빠르고 정적 교정 효과가 장시간 유지되며, 인장·압축 감도 차이가 작아 정밀한 힘 측정에 적합합니다.
WhatsApp us
