DR-2114 2414 Dynamic Torque Sensor
Technical parameters

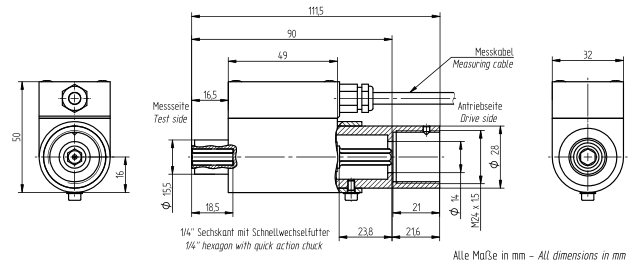
Dimensions

케이센서스 스마트스토어
Technical parameters

Dimensions

Dynamic Rotary Torque Sensor
Capacity: 10,20,30,50,100,200, 300,500,1000,2000N.m
Category: Dynamic Rotary Torque Sensor
Category: Dynamic Rotary Torque Sensor
Product description:Features:
Resistive strain is an integrated production of sensitive components and integrated circuits products, high precision, stable and reliable performance.
The collecting ring, which can run at high speed for a long time and output positive and negative torque signals. Both ends are key connections.
The maximum speed dose not exceed 4000rpm.
WhatsApp us
