DR-2112, DR-2112-P Dynamic Torque Sensor
Technical parameters

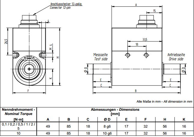
Dimensions



케이센서스 스마트스토어
Measuring range: 20000Nm
Accuracy: 0.1%
Technical parameters

Dimensions



Dynamic Rotary Torque Sensor
Capacity: 5~5000N.m
Category: Dynamic Rotary Torque Sensor
Resistance strain is an integrated product composed of sensitive components and integrated circuits;There is no wear of the collector ring, etc., it can run at high speed for a long time, and output positive and negative torque signals;Both ends are connected by key;
definition: High precision Stable performance Maximum measuring speed 100 rpm
1. Non-contact type and small size structure to prevent wear
2. High precision, stable and reliable performance
3. Torque value can be measured in both positive and negative directions , also speed can be measured
4. Both ends are connected by key-way
5. The maximum speed of 8000RPM, suitable for long-term high speed rotation conditions
Product description:
Resistive strain is an integrated production of sensitive components and integrated circuits products, high precision, stable and reliable performance.
The collecting ring, which can run at high speed for a long time and output positive and negative torque signals. Both ends are key connections.
The maximum speed dose not exceed 4000rpm.
Resistance strain is an integrated product composed of sensitive components and integrated circuits;There is no wear of the collector ring, etc., it can run at high speed for a long time, and output positive and negative torque signals;Both ends are connected by key;
definition: High precision Stable performance The maximum speed does not exceed 4000 rpm
WhatsApp us
