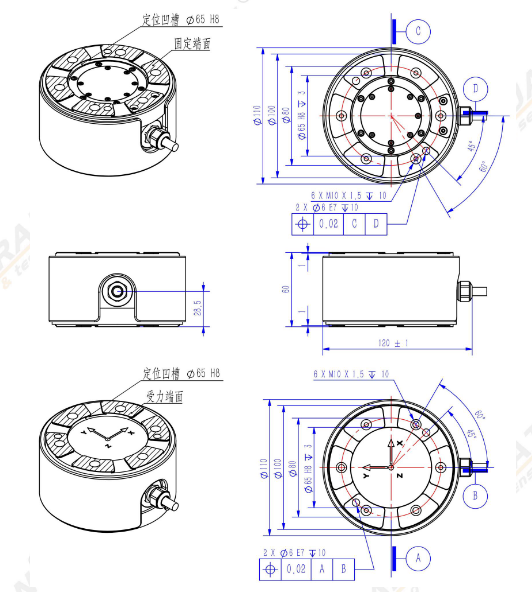
6KA110 Six-Dimensional Force Sensor
Technical parameters:
1. Range 1: Fxy = 1 kN, Fz = 2.5 kN
Mxyz=100Nm
Range 2: Fxy=4KN, Fz=10KN
Mxyz=250Nm
Range 3: Fxy=8KN, Fz=20KN
Mxyz=500Nm
Range 4: Fxy=10KN, Fz=25KN
Mxyz=750Nm
2. Linearity error: 0.2%FS
3. Repeatability: 0.1%FS
3. Crosstalk: 2%FS
4. Input impedance: 350±10Ω
5. Output impedance: 350±10Ω
6. Operating temperature: -1085°C
7. Safe overload: 200% FS
8. Cable: Outgoing from the aircraft connector
9. Material: Aluminum alloy/Stainless steel
Dimensions

















