Hualanhai / CZL613TG / 미니어처 로드셀


센서의 탄성체는 알루미늄 합금으로 제작되었으며, 접착제로 밀봉되고 표면은 무색 아노다이징 처리되었습니다. 보호 등급은 IP65에 도달합니다.


Share it:

Model: CZL613TG

Use: 우편 저울, 커피 머신, 맥주 제조기, 애완동물 사료기, 애완동물 자동 급수기

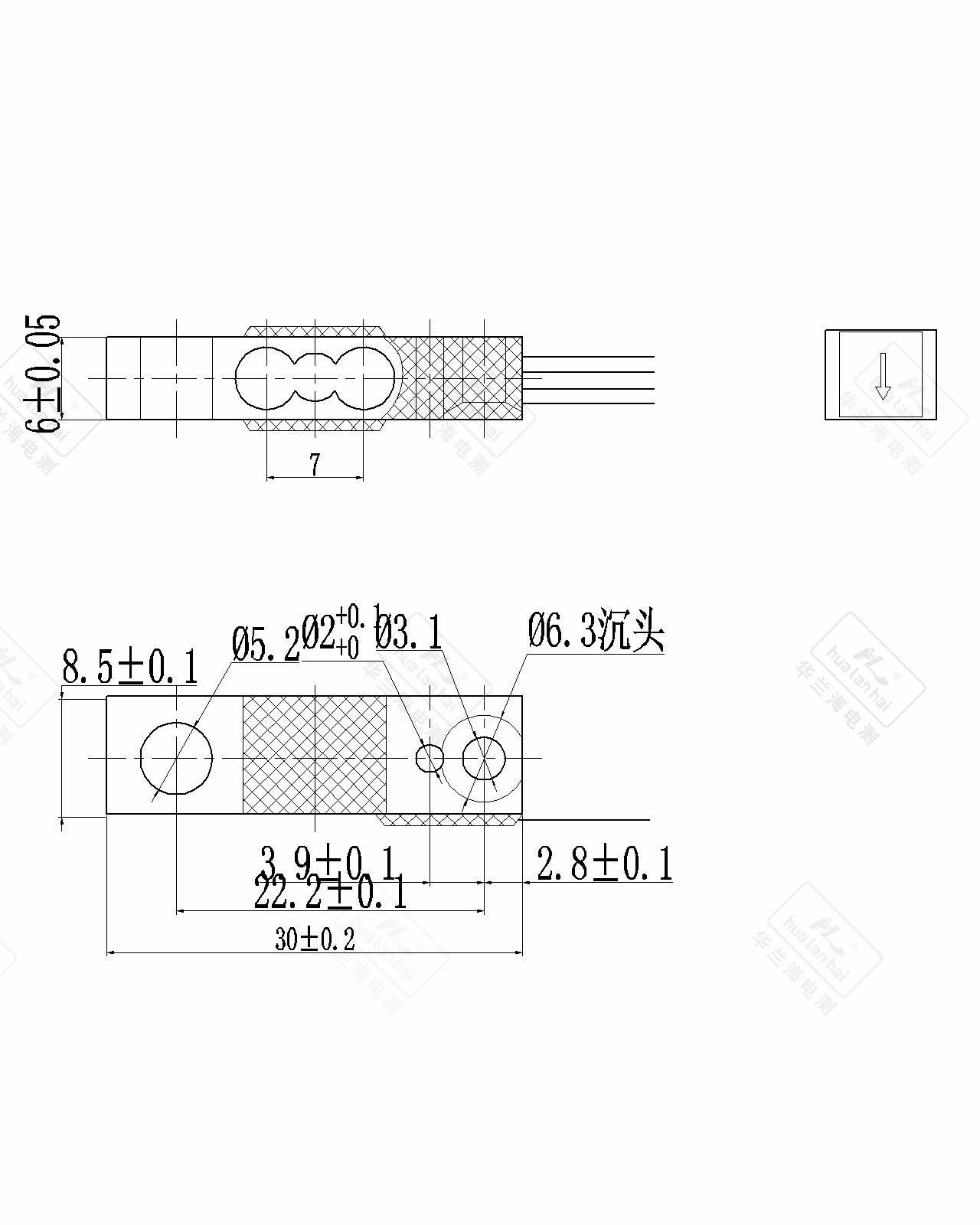
Structural diagram

parameter

Sensor range

1.5kg

Output sensitivity

2.0±0.2 mV/V

Linear error

±0.05% FS

Lag error

±0.05% FS

Off center load error

±0.05% FS

Zero output

±0.1 mV/V

Input impedance

1000±10Ω

Output impedance

1000±10Ω

Influence of zero temperature

0.2% FS

Sensitivity temperature effect

0.05% FS

Reference excitation voltage

3VDC ~ 10VDC

insulation resistance

≥2000MΩ

working temperature

-10℃ ~ +60 ℃

Storage temperature

-25℃ ~ +70 ℃

Safe overload range

120%

Limit overload range

150%

Material Science

Aluminum Alloy

Protection level

IP65

External dimension of sensor

30*8*6