Model 140, 240, 340 Pressure Sensor
Technical parameters

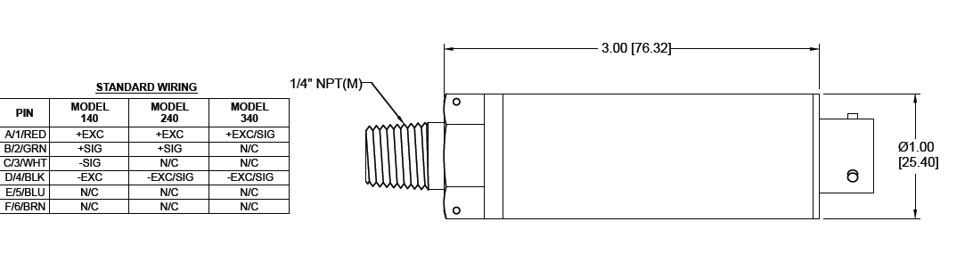
Dimensions

케이센서스 스마트스토어
Measurement range: 0~30K PSI
Accuracy: ±0.05%
Technical parameters

Dimensions

이 센서는 링 구조를 가지고 있어 빠른 동적 응답이 가능하며, 정적 교정 상태를 장시간 유지할 수 있습니다. 자체 전원이 없는 수동형으로, 전하 측정용 계측기와 함께 사용됩니다.
Automobile press fitting, automated assembly and testing machines, truck scales and other industrial systems
이 제품은 링형 구조로 빠른 동적 응답성과 긴 캘리브레이션 지속 시간을 갖추고 있으며, 전원이 필요 없는 수동형 센서로 전하 증폭기 등과 함께 사용하는 데 적합합니다.
이 센서는 환형 구조와 빠른 동적 응답 특성을 갖추고 있으며, 장시간 정적 안정성을 유지할 수 있습니다. 전원이 필요 없는 수동형 설계로, 전하 증폭기 등과 함께 사용하는 데 적합합니다.
이 센서는 전하 출력을 지원하며, 3축(수직) 방향의 힘을 동시에 측정할 수 있어 기계 임피던스 분석이나 구조물의 모달 해석과 같은 동역학 응용에 적합합니다.
이 제품은 빠른 동적 응답 특성과 긴 정적 교정 유지력을 갖추고 있으며, 인장 및 압축 감도 오차가 작아 고정밀 측정에 적합합니다.
이 제품은 빠른 동적 응답, 장시간 유지되는 정적 교정 특성, 그리고 인장·압축 간 감도 오차가 작아 고정밀 측정에 적합합니다.
Automotive press-fitting, automated assembly, 3C product testing, robotics
이 제품은 빠른 동적 응답 특성과 장시간 유지되는 정적 안정성을 제공하며, 인장·압축 감도 오차가 작아 정밀한 힘 측정에 적합합니다.
이 제품은 빠른 응답 속도로 동적 측정이 가능하며, 정적 보정 효과가 장기간 유지됩니다. 인장과 압축력에 대한 민감도 오차가 작아 정밀한 힘 측정이 필요한 분야에 적합합니다.
이 제품은 빠른 동적 응답성과 장시간 유지되는 정적 교정 특성을 갖추고 있으며, 인장·압축 간 감도 오차가 작아 정밀한 측정에 적합합니다.
Suitable for automotive press fitting, medical testing, new energy product assembly, robotics field
WhatsApp us
