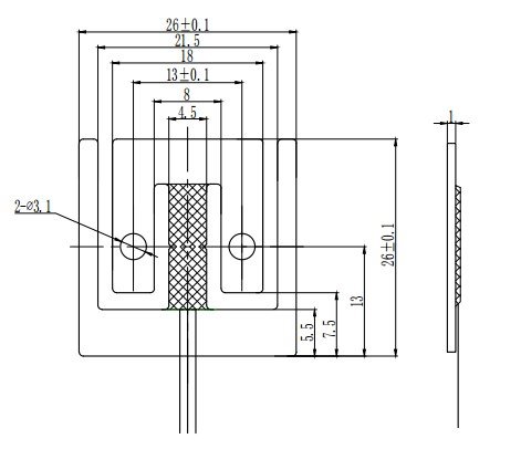
DLC913EC Miniature load cell
Featrues:
Alloy steel
Mainly used for body scales, hand scales, kitchen scales, postal scales, fishing scales, baby body scales and other micro electronic weighing systems.

Parametres:
|
Accuracy Class: 0.05% |
Temp. Effect On Output: ±0.05%F.S/10℃ |
|
Rated Output: 1.0/1.5±0.2mv/v |
Temp. Effect On Zero: ±0.2%F.S/10℃ |
|
Zero Balance : ±0.5mv/v |
Compensated Temp. Range: -10~+40℃ |
|
Linearity Error: ±0.05%F.S |
Operating Temp. Range: -20~+60℃ |
|
Creep in 3 Min. : ±0.05%F.S |
Excitation Recommended: 3~12(VDC) |
|
Hysteresis Error: ±0.05%F.S |
Safe Overload: 150% |
|
Repeatability Error: ±0.05%F.S |
Ultimate Overload: 200% |
|
Input Resistance: 500±10Ω |
Insulation Resistance: >2000MΩ(100VDC) |
| Output Resistance: 500±10Ω |
Protection Class: IP65 |
Wiring Code:

Remarks:
The standard cable length is 220mm.
The length of cable can be customized,ordering instructions.















