Rotary torque sensor DYN-201 series
Characteristic and Application fields
Strong anti-interference, high precision, good stability, small size, light weight, easy installation, non-contact transmission function of energy and signal, independent of rotation speed and steering when transmitting signal, can continuously transmit positive and negative torque signal without repeated zero adjustment, without wearing parts such as collector ring, and can run at high speed for a long time. It can be used for long-time high –speed operation and can transmit static/rotating/static/ dynamic torque signals.
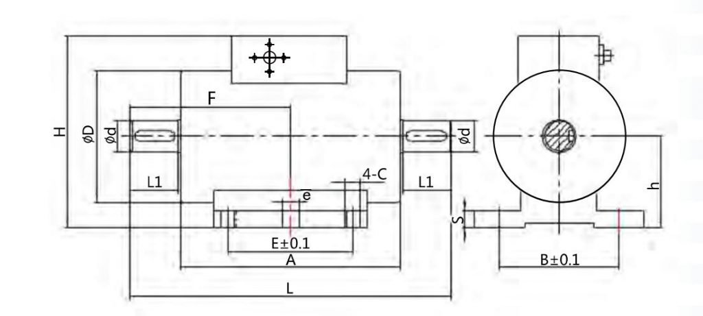
Dimensions(mm):

| Capacity(N.m) | ΦD | Φd | L | L1 | E | e | C | A | H | h | B | F | s |
| 5-100 | 80 | 18 | 188 | 28 | 72 | 11 | M8 | 128 | 123 | 56 | 80 | 96 | 10 |
| 200 | 88 | 28 | 207 | 35 | 72 | 11 | M8 | 133 | 124 | 60 | 80 | 103.5 | 10 |
| 500 | 98 | 38 | 240 | 45 | 72 | 11 | M8 | 146 | 142 | 65 | 80 | 120 | 10
|
| Capacity(N.m) | Speed(r/min) | dead weight | Key (L*W*H) |
| 5-100 | 10000 | 4 | single bond(22*6*6) |
| 200 | 8000 | 5 | single bond (29*8*7) |
| 500 | 7000 | 6.1 | double bond(38*10*8) |

| Capacity(N.m) | ΦD | Φd | L | L1 | E | A | H | h | B | F | s | c |
| 1000 | 108 | 48 | 275 | 60 | 69 | 149 | 152 | 70 | 90 | 137.5 | 15 | 11 |
| 2000 | 118 | 55 | 298 | 70 | 69 | 152 | 164 | 77 | 124 | 149 | 15 | 11 |
| 5000 | 143 | 75 | 356 | 100 | 68 | 150 | 188 | 90 | 146 | 178 | 15 | 13 |
| 10000~20000 | 158 | 98 | 388 | 118 | 80 | 146 | 215 | 109 | 170 | 194 | 15 | 13 |
| 50000 | 215 | 140 | 451 | 135 | 79 | 171 | 265 | 138 | 170 | 225.5 | 15 | 17 |
| 100000 | 247 | 180 | 572 | 180 | 90 | 156 | 305 | 162 | 250 | 261 | 25 | 17 |
| 150000 | 350 | 235 | 900 | 315 | 220 | 250 | 420 | 220 | 250 | 450 | 25 | 17 |
| 200000 | 360 | 255 | 900 | 320 | 220 | 210 | 446 | 240 | 250 | 450 | 25 | 17 |
| 300000 | 416 | 295 | 900 | 325 | 220 | 224 | 480 | 250 | 268 | 450 | 25 | 17 |
| Capacity(N.m) | Speed(r/min) | dead weight | Key (L*W*H) |
| 1000 | 6300 | 9.6 | double bond (50*14*9) |
| 2000 | 5600 | 13.7 | double bond (60*16*10) |
| 5000 | 4800 | 22 | double bond(93*20*12) |
| 10000~20000 | 4000 | 34 | double bond(109*28*16) |
| 50000 | 2800 | 55 | double bond(123*36*) |
| 100000 | 2200 | 85 | double bond(166*45*25) |
| 150000 | 2000 | * | double bond(315*56*32) |
| 200000 | 1800 | * | double bond(320*56*32) |
| 300000 | 1800 | * | double bond(325*70*36) |
Installation diagram:

Technical parameters
| Capacity | ±300000N.m | Maximum torsion angle | 2.60*10rad(0.149) |
| Speed Capacity | ≤15000rpm | Moment of inertia | 0.38kgcm |
| Speed Signal | 120/60/10pulse/turn、4-20mA、0-5V/0-10V | Natural frequency of rotor vibration | 19.4kHz |
| Zero Balance | ±2% F.S. | Torsion constant | 3.85*10Nm/rad |
| Non-linearity | 0.5% F.S. | Material | Stainless Steel |
| Hysteresis | 0.5% F.S. | Stability per year | 0.3%/year |
| Repeatability | 0.2% F.S. | Load resistance | >2kΩ |
| Creep (30 Min) | 0.03% F.S. | Working Voltage | DC24V 0.2A |
| Temp Effect on output | 0.01% F.S./10℃ | Current consumption | <150mA |
| Temp Effect on Zero | 0.01% F.S. /10℃ | Work environment | -10-50℃ 0-85%RH |
| Response time | 0.6ms(50% reaction) | Safe Overload | 200% |
| Response frequency | 1kHz | Cable Specifications | Φ5*3m |
| Acquisition speed | 550/1200 times/second | Cable ultimate pull | 10kg |
| Display range | -99999-99999 |




















