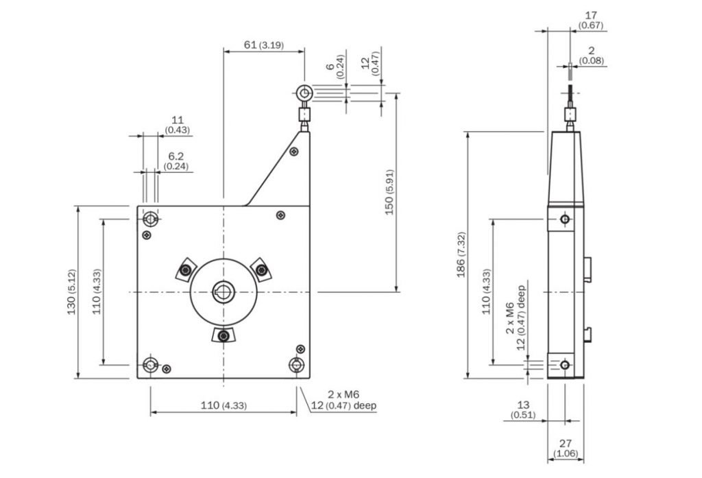
CALT / BSL-GA130 / 보급형 스트링 포텐셔미터
- Measuring range: 0-5m
- Weight: 800g (cable pulling mechanism)
- Weight (pulling rope): 1.2g/m
- Length of each turn of the rope: 385mm
- Shell material: plastic, aluminum alloy
- Spring resilience: 3.3-4.4N
- Cable diameter: 0.6mm
- Rope material: high elastic 316 stainless steel rope
- Linearity: ≤±2mm
- Protection class: IP50
- Acceleration: 10 m/s²
- Roller circumference: 385mm
- Name: Economical encoder cable box BSL-GA130 series
- Can be customized on request
Add to Wishlist
-
설명
- |
-
Download as PDF
- |
- Measuring range: up to 3000mm
- Measuring wheel circumference: 300mm
- Pulling speed: maximum 0.6m/s
- Pull rope tension: 5-10N
- Weight: <1KG
- Wire diameter specification: 0.8mm highly flexible 304 stainless steel wire rope
- Linearity: 0.25%
- Protection class: IP54
- Material: aluminum alloy
- Resolution: Essentially infinite
- Accuracy: 0.05%F.S.
- Rope speed: maximum 0.6m/s
- Product Name: Pull Wire Displacement Sensor CWP-S3000 Series
- Can be customized on request
- Electrical line range: 55-1500mm
- Available electrical range: 50-1505mm
- Mechanical stroke: 57-1507mm
- Operating temperature: -50-120°C
- Resolution: Unlimited
- Output Range: Voltage Divider
- Product name: Resistance ruler wire displacement linear sensor KTC series
- customizable
Measuring range: 90°~43200°
Nonlinearity: 0.05%FS
- Measuring range: 0-1.2m
- Weight: 80kg (rope traction mechanism)
- Weight (drawing rope): 0.58g/m
- Length of each turn of the rope: 150mm
- Actual length of the rope: 1.2m
- Spring resilience: 1-1.4N
- Pull rope diameter: 0.5mm
- Protection class: IP50
- Rope speed: 5m/s²
- Name: Economical encoder cable box BSL-GA55B series
- Can be customized on request
- Measuring range: up to 8000mm
- Output signal: AB phase, ABZ phase
- Resolution: 0.01, 0.02, 0.04, 0.08mm / pulse
- Working voltage: 10-30V DC, 5V DC
- Accuracy: +/-0.05% (full scale), +/-1 pulse
- Measuring wheel circumference: 400mm
- Pulling speed: maximum 1m/s
- Pull rope tension: 5-10N
- Weight: <5KG
- Product Name: Cable Displacement Sensor CESI-L8000 Series
- Can be customized on request
- Measuring range: up to 500mm
- Measuring wheel circumference: 100mm
- Pulling speed: maximum 0.6m/s
- Resolution: 0.01, 0.02, 0.04, 0.08 mm / pulse
- Accuracy: +/-0.05%FS
- Power supply voltage: 10-30V DC, 5V DC
- Pull rope tension: 3N
- Weight: <0.5KG
- Product Name: Cable Displacement Sensor CESI-S500 Series
- Can be customized on request
- Measuring range: up to 5000mm
- Measuring wheel circumference: 300mm
- Pulling speed: maximum 1m/s
- Pull rope tension: 5-10N
- Weight: <2KG
- Resolution: 0.01, 0.02, 0.04, 0.08mm / pulse
- Power supply voltage: 10-30V DC, 5V DC
- Accuracy: +/-0.05% (full scale), +/-1 pulse
- Product Name: Cable Displacement Sensor CESI-M5000 Series
- Can be customized on request
Maximum speed: 9000 rpm
Protection rating: IP67
- Measuring range: up to 1000mm
- Measuring wheel circumference: 100mm
- Working pull: 5N
- Linearity: 0.1%
- Weight: <0.5KG
- Protection class: IP54
- Rope speed: maximum 0.6m/s
- Product Name: Pull Wire Displacement Sensor CWP-S1000 Series
- Can be customized on request
- Measuring range: 0-3m
- Weight: 250g (cable pulling mechanism)
- Weight (pulling rope): 1.2g/m
- Length of each turn of the rope: 250mm
- Shell material: plastic, aluminum alloy
- Spring resilience: 3.3-4.4N1)
- Cable diameter: 0.6mm
- Name: Economical encoder cable box BSL-GA88 series
- Can be customized on request
- Measuring range: up to 3000mm
- Pull Speed: Max 1m/s
- Wire diameter specification: 1mm highly flexible 304 stainless steel wire rope
- Protection class: IP54
- Product name: Cable displacement sensor CWP-M4000 series
- Can be customized on request
- Measuring range: 0-30m
- Weight: 9.8kg (cable traction mechanism)
- Weight (pulling rope): 2.6g/m
- Length of each turn of the rope: 333mm
- Housing Material: Aluminum (anodized) plastic
- Spring resilience: 10-20N
- Cable diameter: 0.8mm
- Industrial Precision Encoder Cable Box BSL-MA130-30 Series
- Can be customized on request


























1-300x300.jpg)
1-300x300.jpg)

