BRG61060 Dynamic Rotating Torque Meter
Introduction
Dynamic Rotating Torque Meter is keyed at both ends for easy installation and use, as well as its speed of up to 1800 rpm, measurable speed, and output of positive and negative torque signals. In addition, we have high detection accuracy, stability, interference resistance, and the ability to use without repeated zeroing.
Feature
1.Resistance strain is an integrated product composed of sensitive components and integrated circuits;
2. High precision, stable and reliable performance;
3. It can measure the torque value in both directions and the speed;
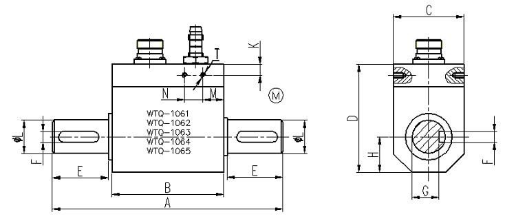
4. Connection method: Both ends are keyed
Technical Parameters
| parameter | Technical index | parameter | Technical index | |
| range | 0.2, 0.3, 0.5, 10, 200, 500, 200, 5000Nm | Response frequency | 100μS | |
| Sensitivity | 1.5±10% mV / V | Insulation resistance | ≥5000MΩ/ 100VDC | |
| Zero output | ±1% F.S. | Excitation voltage | 10VDC(9-15VDC) | |
| Non-linear | ±0.1, 0.3% F.S. | Temperature compensation range | -10 ~ 60℃ | |
| Hysteresis | ≤±0.05% F.S. | working temperature | -20 ~ 65℃ | |
| Repeatability | ≤±0.05% F.S | Safety overload | 150% F.S. | |
| Creep | ≤±0.03% F.S/30min | Extreme overload | 200% F.S. | |
| Temperature sensitivity drift | 0.03% F.S. / 10℃ | Cable size | Ø5.2×3m | |
| Zero temperature drift | 0.03% F.S. / 10℃ | Electrical connections | red/E+, black/E-, green/S+, white/S- | |
| Input resistance | 350, 750±10Ω | Material | Aluminum, stainless steel or alloy steel | |
| Output resistance | 350, 700±5Ω | other request | customizable |
Dimension (mm)



Application
1. Test of torque and power of motor, engine, internal combustion engine and other rotary force equipment.
2. Test of torque and power of fan, water pump, gear box, torque wrench.
3. Test of torque and power of railway locomotive, automobile, tractor, airplane, ship, mining machinery.
4. It can be used to detect the torque and power in the sewage treatment system.
5. It can be used to make viscosimeter.
6. It can be used in process industry.

Installation


















