BRG 61030 Screw Reaction Torque Sensor
Product Description
Screw torque sensors operate by measuring torque in rotating systems. They sense the rotational torque acting on a screw to ensure accurate and consistent tightening. Typically, a screw torque sensor consists of an elastic element (such as a shaft) with a strain gauge or strain gauge mounted on its surface. When the screw is subjected to torque, the elastic element deforms slightly. The strain gauge detects the change in resistance caused by this deformation and generates an electrical signal. This signal is amplified, filtered, and converted into a numerical value that can be used to calculate the torque, enabling real-time torque monitoring.


1. This product integrates a resistance strain gauge sensor and an integrated circuit, offering high precision, stable, and reliable performance.
2. It outputs forward and reverse torque signals.
3. It easily connects to electric screwdrivers.
4. It can reach speeds of up to 1800 RPM, with short-term performance reaching 3000 RPM.
Technical Parameters
| Range | 0-3,5,10Nm |
| Accuracy | ±0.1,±0.2%FS |
| Zero Temperature Effect | ±0.03%FS |
| Span Temperature Effect | ±0.03%FS |
| Compensated Temperature Range | -10~60ºC |
| Operating Temperature Range | -20~75ºC |
| Torque Output | 1.5mV/V±10%F.S. |
| Supply Voltage | 5-10VDC |
| Input resistance | 350±20Ω |
| Output resistance | 350±10Ω |
| Response frequency | 100μS |
| Insulation resistance | ≥2000MΩ/100VDC |
| Safety overload | 150% F.S |
| Extreme overload | 200%FS |
| Material | Shaft material 17-4PH stainless steel, housing is aluminum |
| Electrical connections | Red/E+, Black/E-, Green/S+, White/S- |
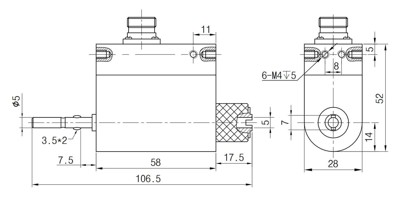
Drawing (mm)


















