S beam load cell-AT54B
Description
2.Small size, both tension and compression measurement
3. Suitable for testing the insertion and withdrawal force, rivet machine, welding machine, etc
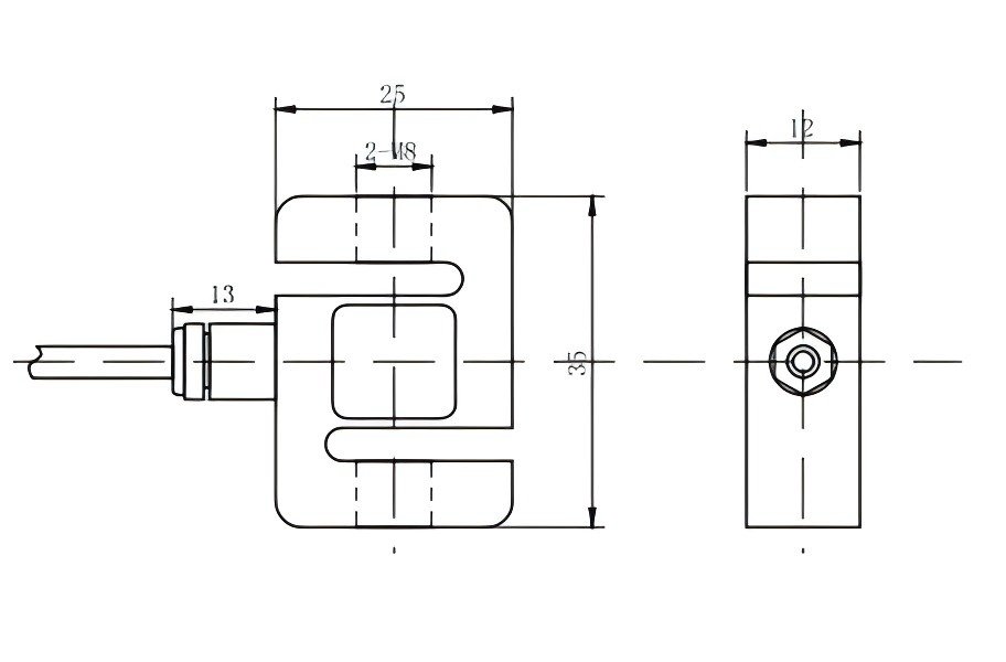
Drawing
Contact us if you need the Datasheet PDF.

케이센서스 스마트스토어
AT54B Stainless Steel Miniature S Type Load Cell high accuracy S beam force sensor 2kg 200kg for force measurement
| Model | AT54B |
|---|---|
| Capacity | 2, 5, 10, 15, 20, 30, 50, 100, 200kg |
| Accuracy | 0.1%F.S |
| Rated output | 1.0/2.0±10%mV/V |
| Creep | 0.05%/30min |
| Material | Stainless steel |
| Application | Testing the insertion and withdrawal force, rivet machine, welding machine, |
Contact us if you need the Datasheet PDF.

이 제품은 인장력과 압축력을 모두 측정할 수 있는 고정밀 센서로, 구조가 작고 안정성이 뛰어나며, 다양한 산업 및 시험 장비에 적합합니다.
The ZMSSA S type load cell provides good restraint to possible movement of the automation and in many cases. The small size gives excellent performance for high capacity loading. The output is rationalized to facilitate multiple-cell application. ZMSSA is contructed of stainless steel and is potted to IP67 providing excellent protection against moisture and humidity.
Stainless steel
이 센서는 인장과 압축력을 모두 측정할 수 있으며, 정밀도와 안정성이 뛰어나 다양한 산업용 계측 장비에 폭넓게 활용됩니다.
이 센서는 인장 및 압축 양방향 하중을 정밀하게 측정할 수 있는 컴팩트한 구조로, 높은 정밀도와 안정성을 제공하며 다양한 산업용 측정 장비와 자동화 시스템에 적합합니다.
S형 로드셀은 인장 및 압축 겸용 센서입니다. STP는 알루미늄 합금으로 제작되고 표면 양극 산화 처리 및 접착 밀봉 공정을 거쳐 소형, 경량, 좁은 측정 범위(2kg~50kg)를 제공하며, 단일 트랜스미터와 함께 사용하여 인장 및 압력 테스트(인장 게이지 등)에 사용할 수 있습니다.
이 제품은 인장과 압축을 모두 측정할 수 있는 고정밀 센서로, 구조가 컴팩트하며 장기적인 안정성이 뛰어납니다. 다양한 시험기 및 자동화 시스템에서 광범위하게 활용됩니다.
Product description:
S515 is a square-shaped tension & compression load cell, high-quality silica gel potting is to ensure it can work in harsh environment. Available in a wide range of capacities from 1KN to 10KN
Main Features:
• Material: Alloy steel ( thread)
• Rated Capacity: 1KN~10KN
• Calibrated based on criterion of ISO 376
• IP Rating: IP66
• Suitable for force measurement and overloading safety controlling.
• High precision by ISO 376 class 0.5, 1, 2.
Category: Tension
10-500N Stainless Steel Tension Compression Force Sensor FA306 is a model of our brand FIBOS FA3-Series, Tension Compression Force Sensor FA306 can be used to measure tension and compression force 10N,20N,50N,100N,150N,200N and 500N capacity, its Rated output range is 2.0±10%mV/V, and its Zero Balance range is ±2%F.S..
5,10,20,50,100,200N Or Customized S type Load Cell FA301 is a model of our brand FIBOS FA3-Series, S type Load Cell FA301 can be used to measure force 5N,10N,20N,50N,100N,200N or customized capacity, its material we use Stainless steel, we can also customized material.
The S beam load cell provides good restraint to possible movement of the automation and in many cases. The small size gives excellent performance for high capacity loading. The output is rationalized to facilitate multiple-cell application. ZMSA is contructed of stainless steel and is potted to IP67 providing excellent protection against moisture and humidity.
Stainless steel
이 센서는 인장과 압축 양방향 하중을 정밀하게 측정할 수 있으며, 구조가 작고 설치가 용이하며, 장기간 안정성이 뛰어나 다양한 계측 및 자동화 응용 분야에 적합합니다.
이 센서는 인장과 압축을 모두 측정할 수 있는 구조로, 높은 정밀도와 안정성을 제공하며, 다양한 산업용 및 시험용 하중 측정 장비에 적합한 고성능 센서입니다.
WhatsApp us
