Miniature load cell – AM41E
Description
AM41E miniature force sensor can measure the tension force, the weight range is from 50N to 20KN, and have good precision, Industrial-grade high-precision force sensor. miniature high-precision force measurement. hot sales for 3C equipment, robots.
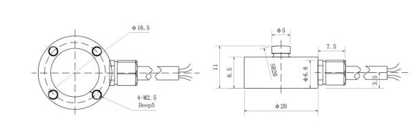
Drawing
Contact us if you need the Datasheet PDF.
















