Compression Load Cell with Display | CBES + TRX
For Flexible, Desktop, Compression Monitoring
Applied Measurements CBES compression load cell with display is a complete, flexible, compression measuring system. It is supplied ready calibrated to UKAS traceable standards with an easy to read backlit display, enabling you fast, portable, compression monitoring.
Capacities up to 2000kg are available in stock, so you can have this compression load cell with display in 7 – 10 working days!
The TRX handheld digital indicator handheld comes with an IP64 dust-tight and splash-proof protection, suitable for most industrial environments. The CBES compression load cell comes with an IP65 rating as standard but can be increased to IP67 and even IP68 for long-term sensor immersion to suit an underwater application. The TRX display can also be supplied with a leather case to add additional protection, if required.
The CBES compression load cell with display is ideal to use where space is limited, thanks to the CBES load cell’s low profile design. Ideal applications include press force measurement and vessel weight measurement.
This Applied Measurements CBES button load cell has an integral load button to deliver optimum performance. Plus, thanks to its built-in location holes, it offers you a fast and easy installation.
The compression load cell with display can be customised to suit your application, thanks to the CBES compression load cell and TRX display’s customisation options. The TRX handheld LCD digital readout is easy to read and protected by a durable rubber finish. Functions include display hold/freeze, gross/net indication, peak hold, tough hold and TEDS support.
Additional features can be accessed if the TRX display is connected to our PSD PC Toolkit. Using the supplied micro USB cable, the TRX combined with the complimentary PC Toolkit is able to log, graphically display and export data from the CBES button load cell.
If you require tension and compression monitoring take a look at our tension and compression load cells, ALL of which can be calibrated with the TRX display.
Technical Specifications
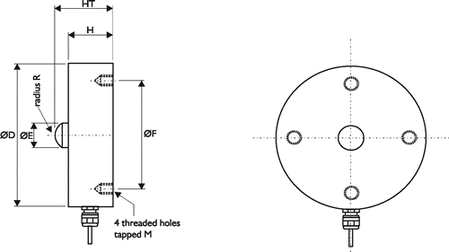
CBES Dimensions

| CAPACITY (kgf) | ØD | ØE | ØF | H | HT | R | M | Weight |
|---|---|---|---|---|---|---|---|---|
| 50,100, 200, 500 | 59 | 10 | 42 | 21 | 25 | 50 | M5 x 0.8 (7 deep) | 0.35kg |
| 1000, 2000 | 59 | 10 | 42 | 21 | 25 | 50 | M5 x 0.8 (7 deep) | 0.35kg |
| 5000, 10000, 20000 | 98 | 20 | 72 | 35 | 40 | 150 | M6 x 1.0 (8 deep) | 2.3kg |
| 30000 | 115 | 32 | 90 | 47.5 | 60 | 250 | M12 x 1.75 (16 deep) | 3.7kg |
| 50000 | 150 | 44 | 125 | 65 | 80 | 400 | M16 x 2.0 (20 deep) | 7.5kg |
All dimensions are in mm
TRX Strain Gauge Digital Display Dimensions

















