S type load cell 100kg 200kg
The ZMSAA S type tension load cell offers a wide range of capacities, extending from 10kg to 300kg. Constructed from alloy steel with an electroless nickel-plated surface, it’s a robust and reliable choice. We provide optional amplifer which converts analog sigal into 4-20mA, 0-5V or 0-10V.
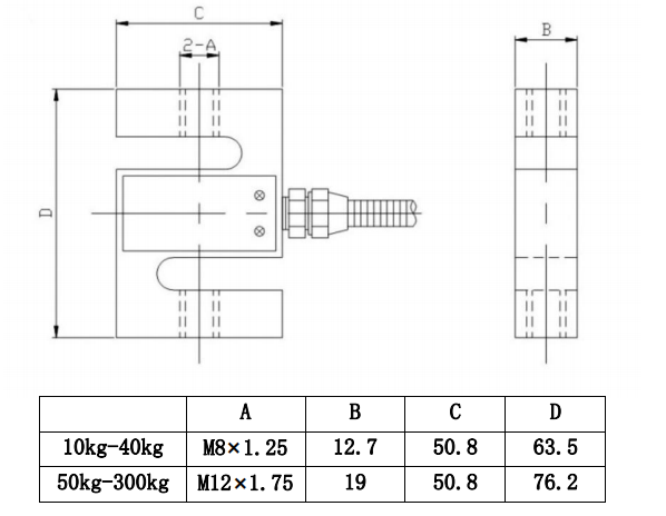
Dimensions in mm

| PARAMETER | VALUE | UNIT |
| Standard capacities (Emax) | 10-300 | KG |
| Rated output-R.O. | 2.0 | mV/V |
| Zero balance | 1 | ±% of rated output |
| Non linearity | 0.03 | ±% of rated output |
| Hysteresis | 0.03 | ±% of rated output |
| Non-repeatability | 0.02 | ±% of rated output |
| Creep error (30 minutes) | 0.02 | ±% of rated output |
| Zero return (30 minutes) | 0.03 | ±% of rated output |
| Temperature effect on min. dead load output | 0.0026 | ±% of rated output/℃ |
| Temperature effect on sensitivity | 0.0015 | ±% of rated output/℃ |
| Compensated temperature range | -10 to +40 | ℃ |
| Operating temperature range | -20 to +60 | ℃ |
| Safe overload | 150 | % of R.C |
| Ultimate overload | 200 | % of R.C |
| Excitation, recommended | 10 | Vdc |
| Excitation, maximum | 15 | Vdc |
| Input resistance | 370±20 | Ohms |
| Output resistance | 350±3 | Ohms |
| Insulation resistance | 5000 | Mega-Ohms |
| Material | Alloy steel | |
| Protection class | IP66 |





















