ZMDZT Multi column load cell
For the measurement of large forces, multiple columns are used. Strain gages afixed to the columns measure the P/A caused deflection (strain), in the columns which is proportional to the applied force. The same structure is used for the measurement of torque by sensing the bending strains in each column.
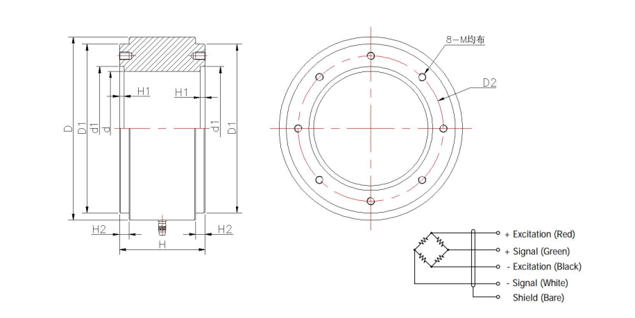
Dimensions in mm


| PARAMETER | VALUE | UNIT |
| Standard capacities (Emax) | 600-6500 | KN |
| Rated output-R.O. | 2.0 | mV/V |
| Zero balance | 1 | ±% of rated output |
| Non linearity | 0.2 | ±% of rated output |
| Hysteresis | 0.2 | ±% of rated output |
| Non-repeatability | 0.1 | ±% of rated output |
| Creep error (30 minutes) | 0.03 | ±% of rated output |
| Zero return (30 minutes) | 0.03 | ±% of rated output |
| Temperature effect on min. dead load output | 0.0026 | ±% of rated output/℃ |
| Temperature effect on sensitivity | 0.0015 | ±% of rated output/℃ |
| Compensated temperature range | -10 to +40 | ℃ |
| Operating temperature range | -20 to +60 | ℃ |
| Safe overload | 150 | % of R.C |
| Ultimate overload | 200 | % of R.C |
| Excitation, recommended | 10 | Vdc |
| Excitation, maximum | 15 | Vdc |
| Input resistance | 720±20 | Ohms |
| Output resistance | 700±3 | Ohms |
| Insulation resistance | 5000 | Mega-Ohms |
| Material | Alloy steel | |
| Protection class | IP66 |


























