L6N Single Point Load Cell Zemic Load Cell

Short Description:
◎Aluminium-Alloy IP65 single point load cell;
◎Colourless anodized;
◎Suitable for single or double load cell structured platform scales;
◎Recommended platform size: 400 x 400 mm;
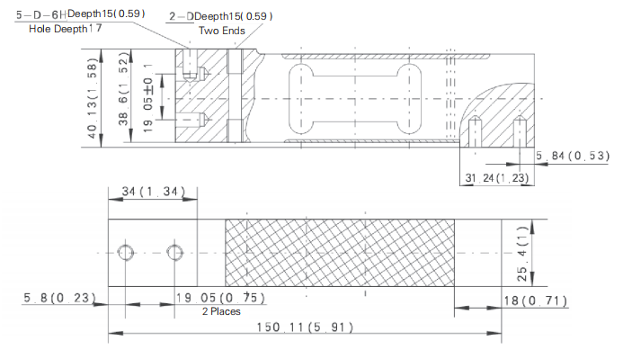
Dimensions in mm:

Available models:
Specification:
Wiring:
◎Shielded, 6 conductor cable;
◎Cable Diameter: Φ4.8mm;
◎Standard cable length: 3m;
◎Shield not connected to element;
◎Cable jacket is PVC;



















