65058 S-Force Sensor
Technical parameters

Dimensions

케이센서스 스마트스토어
Technical parameters

Dimensions

Made of alloy steel, this model is sealed with adhesive and nickel-plated, offering excellent waterproof and corrosion resistance with an IP66 protection rating.
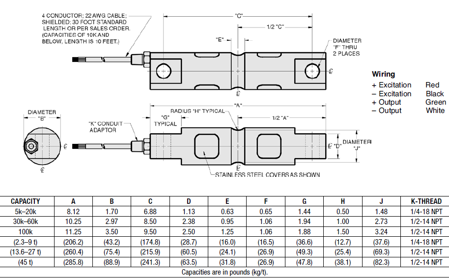
SC512는 인장 및 압축 하중을 모두 받는 어플리케이션에 적합하도록 설계된 S형 로드셀입니다. 합금강 또는 스테인리스강으로 제작된 SC516은 상부 및 하부 암에 정렬된 장착 구멍이 있어 매달린 어플리케이션에 부착할 수 있습니다. 또한, 압축 하중은 로드셀 본체에 직접 가할 수 있어 설치가 간편합니다.
The SC512 is a S-type load cell designed for applications that involve both tension and compression. Manufactured from alloy steel or stainless steel, the SC516 has an upper and a lower arm with aligned mounting holes for attachment in suspended applications. Meanwhile, compressive loads can be applied directly to the body of the load cell for easy installation.
10-1000N Stainless Steel S Beam Load Cell FA302 is a model of our brand FIBOS FA3-Series, S Beam Load Cell FA302 can be used to measure load ranges from 10N,20N,50N,100N,200N,500N up to 1000N capacity, its Cable size is ⌀2x3000mm, its Weight is 0.1kg and Material is Stainless steel, its range of Input impedance and Output impedance are both 650/350±5Ω.
100,300,500,1000,3000,5000,10000kg Or Customized S Beam Load Cell FA302C is a model belongs to FA302 which is in S Beam Load Cell category of our brand FIBOS FA3-Series, S Beam Load Cell FA302C can be used to measure load ranges from 100kg up to 10000kg or customized capacity, its Weight is 0.75kg or can be customized.
SC301A는 축방향 하중 측정을 위해 설계된 소형 S형 인장 및 압축 로드셀입니다. 다른 S형 로드셀과 마찬가지로, SC301A는 상단과 하단에 장착 지점이 있어 공간이 제한된 설비에도 쉽게 설치할 수 있습니다.
The SC301A is a compact S-type tension and compression load cell built to measure axial loads. Like other S-type load cells, the SC301A has mounting point on the top and bottom for easy installation in installations with limited space.
합금강으로 제작되었으며, 접착제로 밀봉되고 니켈 도금 처리된 이 모델은 방수 및 내식성이 뛰어나며, IP66 등급의 보호 성능을 갖추고 있습니다.
10-500N Stainless Steel Tension Compression Force Sensor FA306 is a model of our brand FIBOS FA3-Series, Tension Compression Force Sensor FA306 can be used to measure tension and compression force 10N,20N,50N,100N,150N,200N and 500N capacity, its Rated output range is 2.0±10%mV/V, and its Zero Balance range is ±2%F.S..
WhatsApp us
