VRTNC3 Load button type load cell
Specifications
| Rated output | 2.85mV/V±10% |
|---|---|
| Nonlinearity | ±0.02%R.C. |
| Hysteresis | ±0.02%R.C. |
| Temperature effect on zero balance | ±0.007%R.C./10°C |
| Temperature effect on load | ±0.008%R.C./10°C |
| Safe overload rating | Approx. 170%R.C. (330t;470t:Approx. 150%R.C.) |
| Permissible Dyn. Load | 70% of rated capacity (Allowable oscillation amplitude as per DIN 50100) |
| Permissible Static Side Load | 0.5 (But, Maximum permissible static side load = 0.3max or less) |
| Temperature compensation range | −10–40°C (No condensation or freezing) |
| Safe temperature range | −30–80°C (No condensation or freezing) |
| Input terminal resistance | 4350.0–4550.0Ω |
| Output terminal resistance | 4009.5–4010.5Ω |
| Recommended excitation voltage | 5V |
| Excitation voltage range | 5–30V (Max. 60V) |
| Insulation resistance | 2GΩ |
| IP Rating | Equivalent to IP68 (Note 1) |
| Cable | φ6.5mm 4-core Shielded cable See dimension L in table below. |
- Creep 30min: 0.017%R.C.
- (Note 1) Sealing performance of the cable outlet may deteriorate due to the change of cable jacket over years.
Model selection
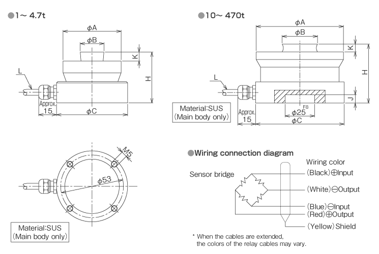
| Selection | Model | Rated capacity | Deflection at R.C. | φA | φB | φC | H | J | K | L | Weight |
|---|---|---|---|---|---|---|---|---|---|---|---|
| VRTNC3-1t | 1ton(9.807kN) | 0.13mm | 49 | 20 | 60 | 43 | – | 7.5 | 5m | Approx. 0.6kg | |
| VRTNC3-2.2t | 2.2ton (21.57kN) | 0.12mm | 49 | 20 | 60 | 43 | – | 7.5 | 5m | Approx. 0.6kg | |
| VRTNC3-4.7t | 4.7ton (46.09kN) | 0.12mm | 49 | 20 | 60 | 43 | – | 7.5 | 5m | Approx. 0.7kg | |
| VRTNC3-10t | 10ton (98.07kN) | 0.17mm | 74 | 30 | 75 | 50 | 7 | 6.5 | 5m | Approx. 1.2kg | |
| VRTNC3-15t | 15ton (147.1kN) | 0.18mm | 75 | 30 | 75 | 50 | 7 | 6.5 | 5m | Approx. 1.3kg | |
| VRTNC3-22t | 22ton (215.7kN) | 0.21mm | 75 | 30 | 75 | 50 | 7 | 6.5 | 12m | Approx. 1.3kg | |
| VRTNC3-33t | 33ton (323.6kN) | 0.25mm | 95 | 40 | 95 | 65 | 7 | 10 | 12m | Approx. 2.1kg | |
| VRTNC3-47t | 47ton (460.9kN) | 0.33mm | 130 | 60 | 130 | 75 | 7 | 14 | 12m | Approx. 4.3kg | |
| VRTNC3-68t | 68ton (666.9kN) | 0.35mm | 130 | 60 | 130 | 85 | 7 | 14 | 12m | Approx. 4.8kg | |
| VRTNC3-100t | 100ton (980.7kN) | 0.45mm | 150 | 70 | 150 | 90 | 7 | 16 | 12m | Approx. 7.0kg | |
| VRTNC3-150t | 150ton (1.471MN) | 0.57mm | 150 | 70 | 150 | 100 | 7 | 16 | 5m | Approx. 8.6kg | |
| VRTNC3-220t | 220ton (2.157MN) | 0.67mm | 225 | 100 | 225 | 130 | 10 | 24 | 5m | Approx. 22kg | |
| VRTNC3-330t | 330ton (3.236MN) | 0.85mm | 225 | 100 | 225 | 145 | 10 | 24 | 5m | Approx. 29kg | |
| VRTNC3-470t | 470ton (4.609MN) | 1.00mm | 270 | 120 | 270 | 170 | 10 | 28 | 5m | Approx. 50kg |
- *Weight includes cable.
External dimensions (Unit: mm)
















