TSR274B Tension Force Sensor
Product Description
Features and Uses
Compact structure, easy to install
High dynamic response frequency, suitable for fast measurement
Made of stainless steel
Application field: automobile assembly, automatic assembly, 3C product testing, new energy product assembly, medical testing, robot, mold assembly and other industrial testing, measurement and control system.
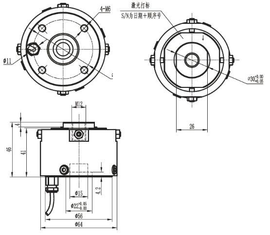
Mounting Dimension

Parameter List
| Rated Range | 5,10,20kg | Insulation Resistance | ≥ 5000mΩ/100VDC |
| Consideration | 2.0mV/V | Excitation Voltage | 5~15V |
| Null Balance | ±0.05mV/V | The Maximum Excitation Voltage | 20volts |
| Nonlinearity | 0.03%F.S | Temperature Compensation Range | -20~70℃ |
| Lag Error | 0.03%F.S | Operating Temperature Range | -30〜85℃ |
| Repeatability | 0.03%F.S | Safe Load(E L) | 150%F.S. |
| Creep (30 Minutes) | 0.02%F.S | Failure Load(E D) | 200%F.S. |
| Sensitivity Drift Temperature Coefficient | 0.05%F.S./10℃ | Cable size | Φ4×4000mm |
| Zero Drift Temperature Coefficient | 0.03%F.S./10℃ | Cloth | |
| Input Resistance | 380±20Ω | Unit Weight(G) | |
| Output Resistance | 350±10Ω | Protection | Ip67 |
| Direction Of Force | Wiring Method |
![]() |
![]() |





















