TC315 S-Type Tension And Compression Load Cell
Product Description
Features and Uses
Low height, small deformation, high protection level;
Made of stainless steel;
Bidirectional stretching and compression;
IP68 protection grade, suitable for harsh environment;
Mainly used for force measurement, push-pull dynamometer, hopper scale and various industrial weighing systems.
Application field: automobile assembly, automatic assembly, 3C product testing, new energy product assembly, medical testing, robot, mold assembly and other industrial testing, measurement and control system.
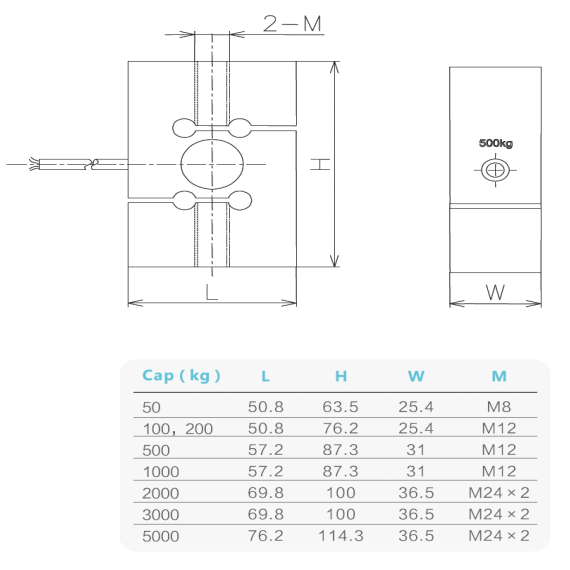
Mounting Dimension

Parameter List
| Rated Range | 501002005001000 200030005000N | Insulation Resistance | ≥ 5000mΩ/100VDC |
| Consideration | 2.0±0.25%mV/V | Excitation Voltage | 5V |
| Null Balance | ±0.01%F.S | The Maximum Excitation Voltage | 15volts |
| Nonlinearity | 0.018%F.S | Temperature Compensation Range | -10~40℃ |
| Lag Error | ±0.018%F.S | Operating Temperature Range | -30〜70℃ |
| Repeatability | 0.018%F.S | Safe Load(E L) | 150%F.S. |
| Creep (30 Minutes) | 0.024%F.S | Failure Load(E D) | 300%F.S. |
| Sensitivity Drift Temperature Coefficient | 0.014%F.S./10℃ | Cable size | Φ5.4×4000mm |
| Zero Drift Temperature Coefficient | 0.017%F.S./10℃ | Cloth | Stainless steel |
| Input Resistance | 350±5Ω | Unit Weight(G) | 0.1kg |
| Output Resistance | 350±5Ω | Protection | Ip68 |
| Direction Of Force | Wiring Method |
![]() |
![]() |



























