CL1-101/102 Series Dynamic Torque Sensor
| Range | 5,10, 20, 30, 50,100, 200, 300, 500Nm | ||||
| Accuracy | ±0.1, ±0.2%FS | Supply voltage | 12~24VDC | ||
| Zero point temperature effect | ±0.02%FS | Supply current | Less than 100mA | ||
| Full scale temperature effect | ±0.02%FS | Electrical connection | 8-Pin | ||
| Compensated temperature range | -10-60℃ | Overload protection | 200%FS | ||
| Operating temperature range | -20~75℃ | Material | Shaft material 17-4PH stainless steel, housing is aluminum | ||
| Torque output | 10±5kHz(5V amplitude), 0-±5VDC, 0-±10VDC, 0-5-10VDC, 4-12-20mA, 0-5V, 0-10V, -20mA, RS485, RS232, CAN, etc. | ||||
| Options | |||||
| Rotation speed measurement | 60 pulses/circle (amplitude 5V) 4-20mA, 0-5VDC, 0-10VDC, RS485, RS232, CAN, etc. | ||||
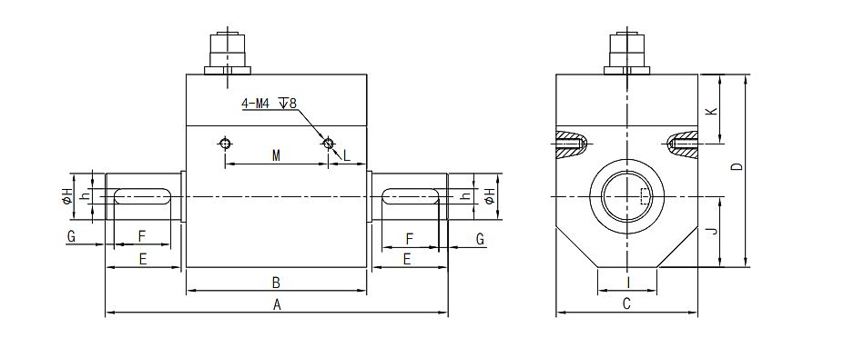
Dimensions

| Model | Cap | A | B | C | D | E | F | G | H | h | l | J | K | L | M |
| CL1-101 | 5,10, 20, 30, 50, 100 | 133 | 70 | 55 | 75 | 30 | 22 | 3.5 | 18 | 6 | 23 | 27.5 | 27 | 15 | 40 |
| CL1-102 | 200, 300, 500 | 144 | 70 | 65 | 85 | 35 | 30 | 3 | 28 | 8 | 29 | 32.5 | 28 | 12 | 46 |
















