LC5202 Button Type Load Cell Subminiature Threaded Button Load Cell

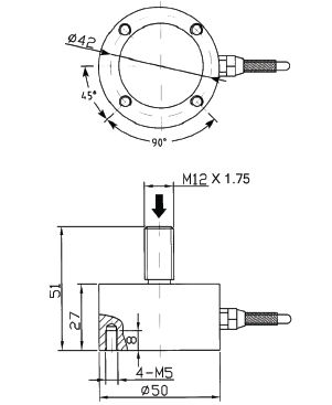
Dimension:mm

Features:
◎Stainless Steel;
◎Low profile and compact structure;
◎It is suitable for a variety of small space force measurement, thread force monitoring;
◎Widely used in measurement control in industrial, research and development fields.
◎They are available 50/100/200/500kg capacities.
Technical Data:

















