LC504B Truck Scales Loadcell RTN Button Type Compression Load Cell

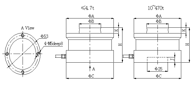
Dimension Unit: mm

Product Characteristics:
◆LC504B load cells are available for manifold accurate measurement in the capacities 2.2t to 470t.
◆Alloy steel or Stainless steel, completely welded,oil-proof,waterproof and anti-corrosive gas and medium, suitable for all kinds of environments.
◆Spoke type,suitable for electronic truck scales,hopper scales, automotive testing equipments other electronic weighing or force measuring fields.
Technical Parameter:















