LC473 Column Force Sensor Column Type Load Cell 100 To 2000T

High quality alloy steel, column design structure, strong stability and high reliability,0.5-0.3% high precision, can pass the third-party metrology verification certification, with the third-party verification certificate;Safety overload capacity 120%, limit overload capacity 150%;
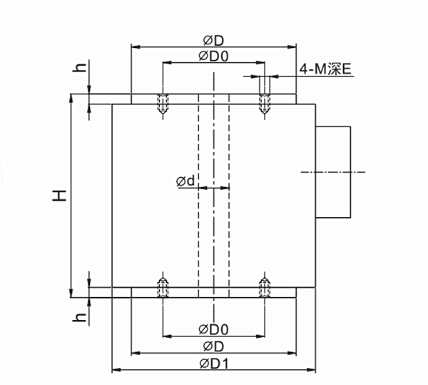
Dimension:

Application:
Large-scale pressure testing machine, large-scale hydraulic machinery and equipment, large-scale force measurement and various weighing tests in Colleges and universities, large-scale industrial force measurement control system.
Technical Parameter:



















