LC348M3 Mettler Toleda Sheare Beam Load Cell for Silo Scale Tank Scale

Features & Applications:
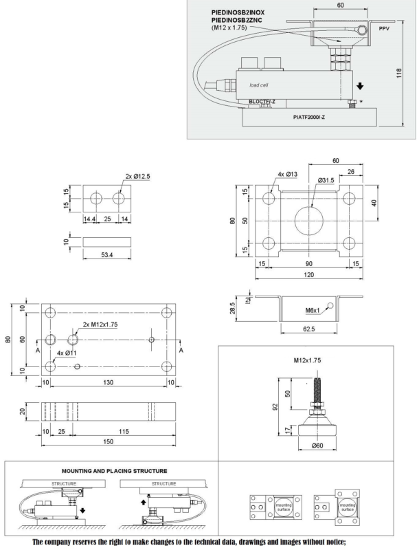
◎During the transport and installation the lock (*) must touch under the load cell. After installation, move the lock away from the load cell;
◎Interconnect the plates to the earthing;
◎In case of structure with four-point support, if one-point does not touch the compression joint, you must proceed to insert a shim before fixing the bolts;
Technical Parameter:
Dimension:
















