LC258 Locosc Tension Link Load Cell Tension Load Cell for Crane Scale

Product Description:
The LC258 tension and compression load cell delivers a extremely wide range of capacities from 100kg thru to 5000kg. Constructed from stainless steel and environmentally sealed using potting compound, it is both robust as well as being an economic choice for process plant applications.
Applications:
Suspended tanks and hoppers, crane scales.
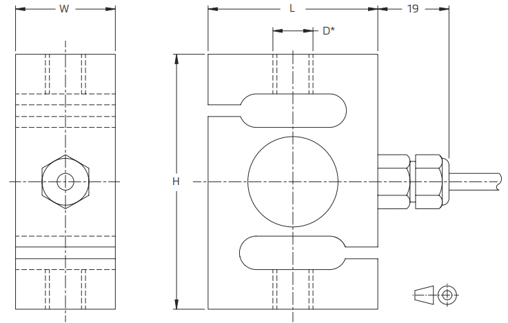
Dimension:mm

Technical Parameter:






















