LC2310 Tension And Compression Load Cell Dynamometer 30kg1kg Mini S Load Cells

S type load cell can bear both tension and pressure, with good stability, good output symmetry, high accuracy, low temperature drift, compact structure and complete specifications. Micro load cell is suited to use in restricted spaces. Tension and compression load cells have capacity range from 1kg, 2kg, 3kg, 10kg to 50kg. Load cell capacity can be customized according to customer requirements. Customized output signal is 0-5V, 0-10V, or 4-20mA.
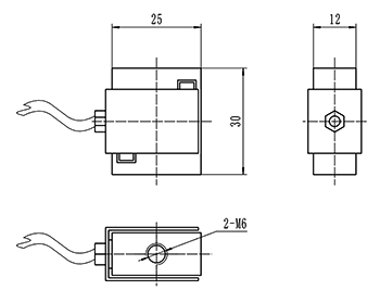
Dimension:
Technical Data:





















